EasyManua.ls Logo

Frigidaire FES367CE - Page 10

Frigidaire FES367CE
10 pages
Print Icon
To Previous Page IconTo Previous Page
To Previous Page IconTo Previous Page
Loading...
Pub li ca tion No. FES367CES/B/T
5995315347
11/98 10
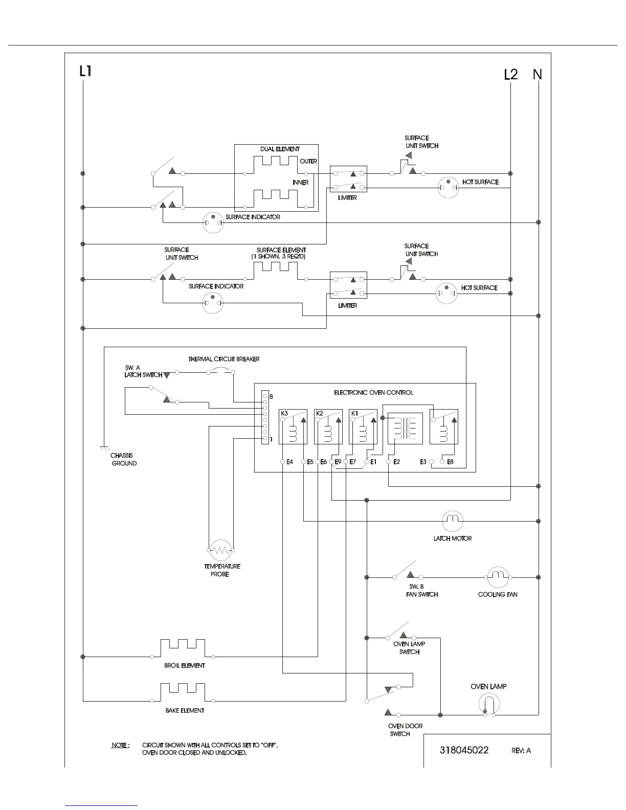
WIRING DIAGRAM

Related product manuals