EasyManua.ls Logo

Frigidaire FFRS0822SE - Air Conditioner Features and Operating Instructions; Electronic Control Panel Guide; How to Turn On Your Air Conditioner

Frigidaire FFRS0822SE
36 pages
Print Icon
To Next Page IconTo Next Page
To Next Page IconTo Next Page
To Previous Page IconTo Previous Page
To Previous Page IconTo Previous Page
Loading...
5
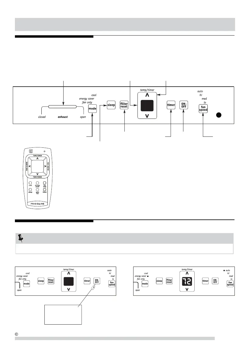
Air Conditioner Features & Operating Instructions
Before you begin, thoroughly familiarize yourself with the control panel and remote
as shown below and all its functions, then follow the symbol for the functions you
desire. The unit can be controlled by the touch pad alone or with the remote.
ELECTRONIC CONTROL
Air Conditioner Features
2009 Electrolux Home Products, Inc. All rights reserved.
NOTE
The following instructions represent the Touch Pad, the same instructions can be used for the Remote Control.
Operating Instructions
PRESS ON/OFF
BUTTON
DO THIS:
TO TURN UNIT ON: YOU WILL SEE:
ADJUSTS
TEMPERATURE
OR TIME
DISPLAYS
TEMPERATURE/TIME
SETS FAN
SPEED
SETS MODE
TURNS UNIT
ON OR OFF
ACTIVATES
TIMER
EXHAUST SELECTOR
CHECK FILTER
RESET BUTTON
SLEEP MODE
STANDARD REMOTE
Battery Size: AAA
Warning: Do not mix old and new batteries. Do not mix alkaline, standard (carbon-zinc), or rechargeable
(nickel-cadmium) batteries.
Note: The unit will run in energy saver mode when used for the
first time. In this mode, the fan will continue to run for 1 minute
after the compressor shuts off. The fan then cycles on for 20
seconds at 10 minute intervals until the room temperature is
above the set temperature, at which time the compressor turns
back on.

Related product manuals