EasyManua.ls Logo

Fronius Symo GEN24 10.0 Plus

Fronius Symo GEN24 10.0 Plus
192 pages
To Next Page IconTo Next Page
To Next Page IconTo Next Page
To Previous Page IconTo Previous Page
To Previous Page IconTo Previous Page
Loading...
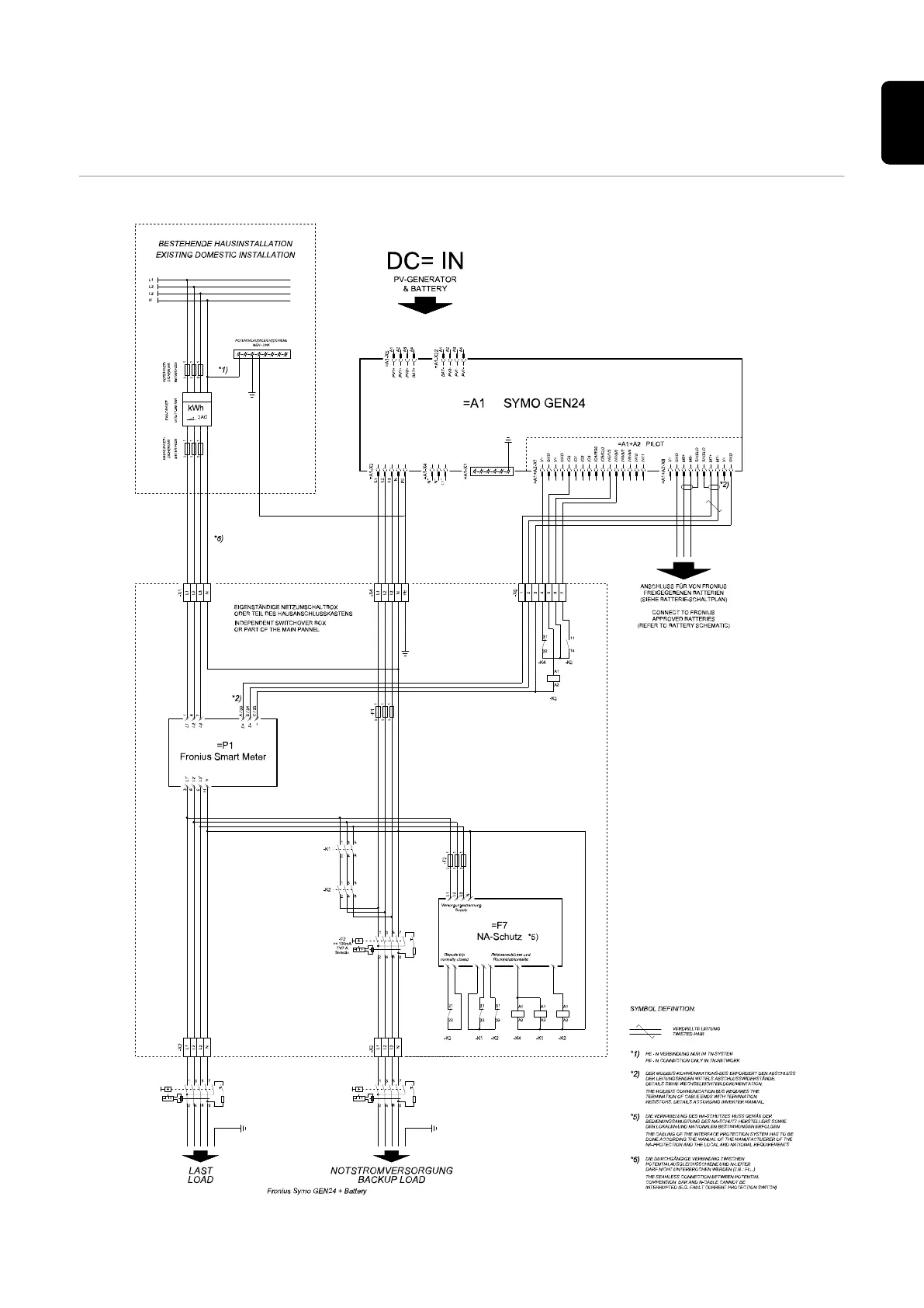
Automatic switch to backup power 3-pin double
separation with ext. Grid and system protection
Circuit Diagram
181
EN

Table of Contents

Other manuals for Fronius Symo GEN24 10.0 Plus

Related product manuals