EasyManua.ls Logo

Frontier ST1129 - Page 50

Frontier ST1129
60 pages
Print Icon
To Next Page IconTo Next Page
To Next Page IconTo Next Page
To Previous Page IconTo Previous Page
To Previous Page IconTo Previous Page
Loading...
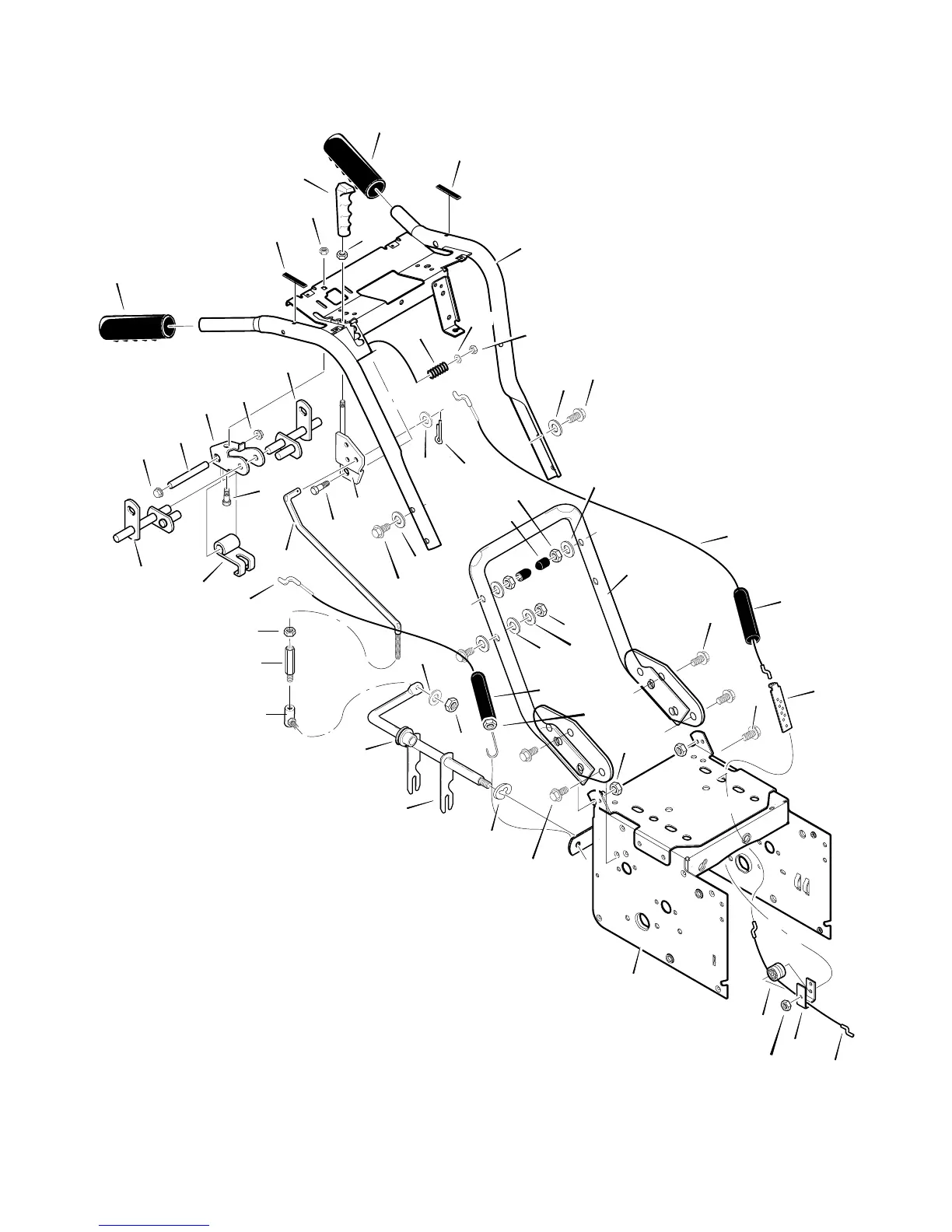
FRONTIER MODEL ST1129 FACTORY MODEL 629110x16B
50
MTF-0410104L
HANDLE
774
773
772
785
729
804
770
798
803
802
787
739
771
720
790
801
795
800
801
791
796
799
741
724
740
725
724
728
727
726
751
813
811
812
809
810
759
745
762
760
Ref. Engine
Page
743
765
765
751
727
726
725
753
739
725
729
745
806
805
808
750
763

Related product manuals