EasyManua.ls Logo

Fujitsu ABUH18LUAS - Page 54

Fujitsu ABUH18LUAS
226 pages
Print Icon
To Next Page IconTo Next Page
To Next Page IconTo Next Page
To Previous Page IconTo Previous Page
To Previous Page IconTo Previous Page
Loading...
¢
Models: AOUH24LUAS1, AOUH30LUAS1, and AOUH36LUAS1
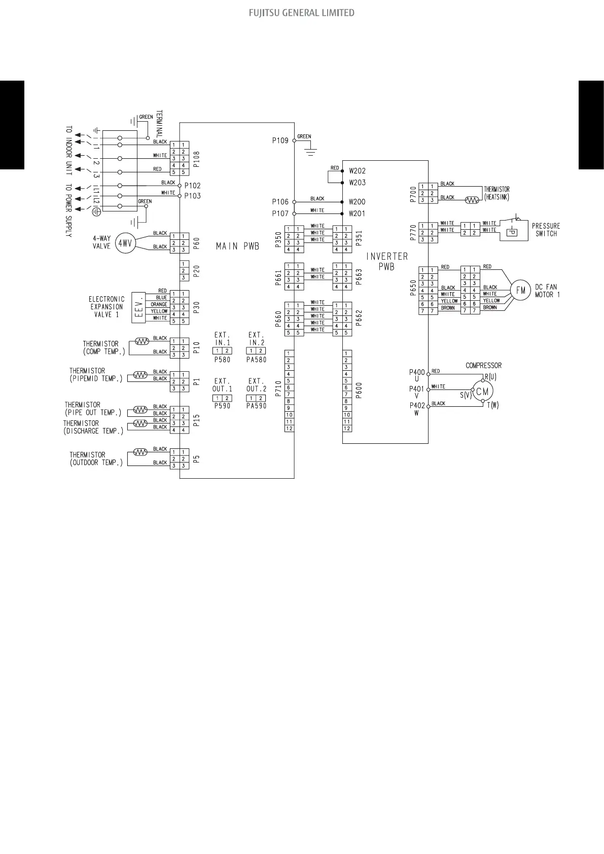
7-2. Outdoor unit - (02-30) - 7. →iring diagrams
TECHNICAL DATA
AND PARTS LIST
TECHNICAL DATA
AND PARTS LIST

Table of Contents

Related product manuals