EasyManua.ls Logo

Fujitsu AOYG72LRLA - 4-6. Ceiling type; Models: ABYG30 LRTE, ABYG36 LRTE, and ABYG45 LRTA

Fujitsu AOYG72LRLA
343 pages
Print Icon
To Next Page IconTo Next Page
To Next Page IconTo Next Page
To Previous Page IconTo Previous Page
To Previous Page IconTo Previous Page
Loading...
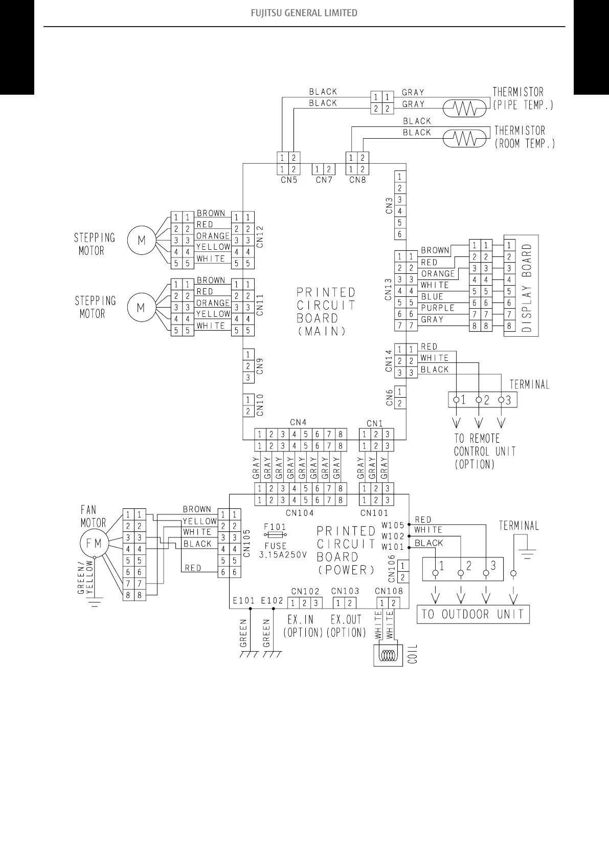
4-6. Ceiling type
¢
Models: ABYG30LRTE, ABYG36LRTE, and ABYG45LRTA
- 29 -
4-6. Ceiling type 4. Wiring diagrams
INDOOR UNITS
SIMULTANEOUS
MULTI
INDOOR UNITS
SIMULTANEOUS
MULTI

Table of Contents