EasyManua.ls Logo

Fujitsu ASU12RLF1 - Refrigerant Circuit

Fujitsu ASU12RLF1
46 pages
Print Icon
To Next Page IconTo Next Page
To Next Page IconTo Next Page
To Previous Page IconTo Previous Page
To Previous Page IconTo Previous Page
Loading...
- (02 - 04) -
OUTDOOR UNIT
AOU9-12RLFW1
OUTDOOR UNIT
AOU9-12RLFW1
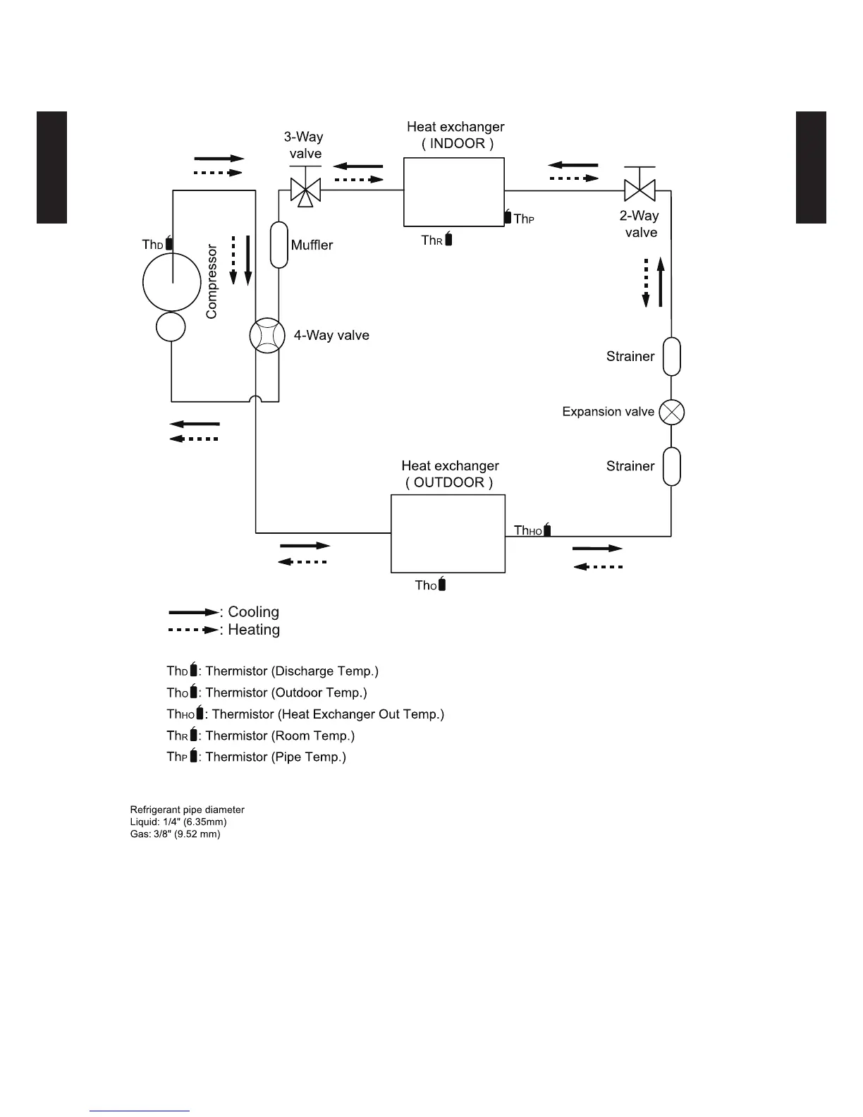
REFRIGERANT CIRCUIT3.
MODEL
: AOU9RLFW1

Other manuals for Fujitsu ASU12RLF1

Related product manuals