EasyManua.ls Logo

Fujitsu ASU12RLS3Y - Wiring Diagrams

Fujitsu ASU12RLS3Y
62 pages
Print Icon
To Next Page IconTo Next Page
To Next Page IconTo Next Page
To Previous Page IconTo Previous Page
To Previous Page IconTo Previous Page
Loading...
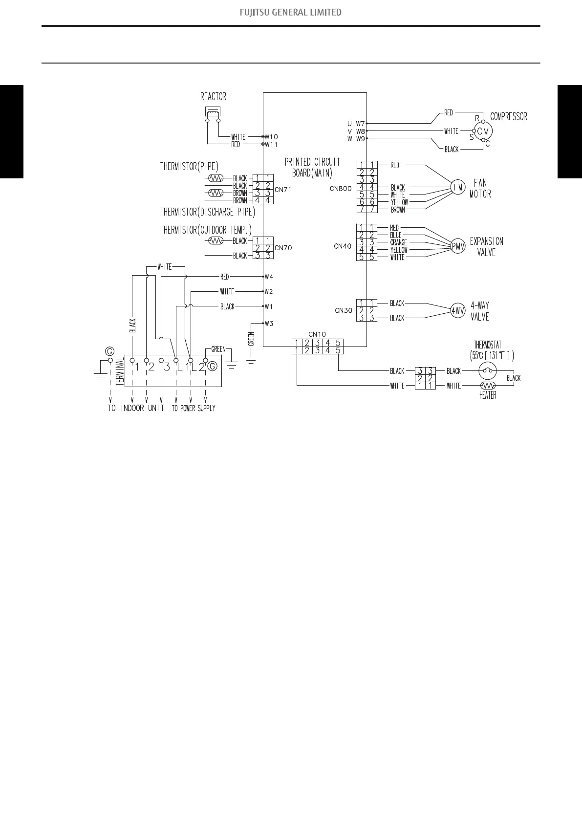
5. Wiring diagrams
5-1. Models: AOU9RLS3H and AOU12RLS3H
- 47 -
5-1. Models: AOU9RLS3H and AOU12RLS3H 5. Wiring diagrams
OUTDOOR UNIT
AOU9-15RLS3H
OUTDOOR UNIT
AOU9-15RLS3H

Table of Contents

Related product manuals