EasyManua.ls Logo

Fujitsu ASU12RLS3Y - Model: AOU15 RLS3 H

Fujitsu ASU12RLS3Y
62 pages
Print Icon
To Next Page IconTo Next Page
To Next Page IconTo Next Page
To Previous Page IconTo Previous Page
To Previous Page IconTo Previous Page
Loading...
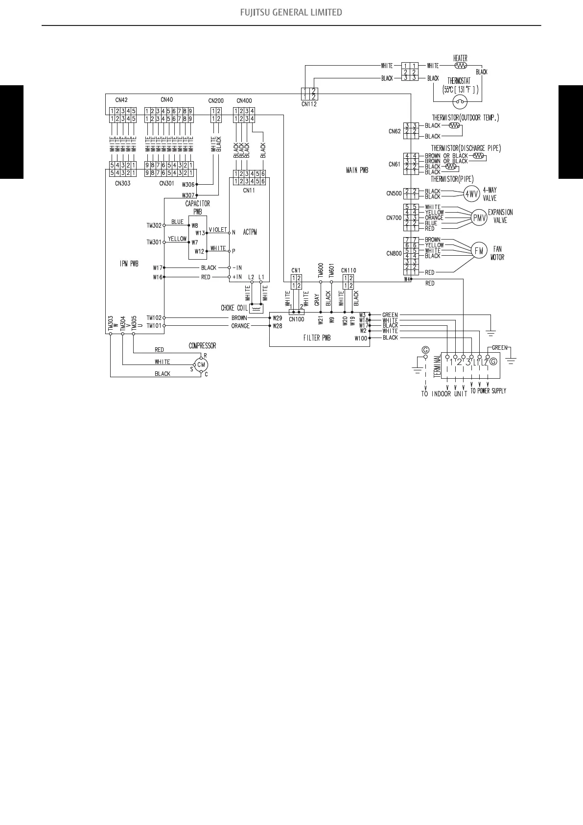
5-2. Model: AOU15RLS3H
- 48 -
5-2. Model: AOU15RLS3H 5. Wiring diagrams
OUTDOOR UNIT
AOU9-15RLS3H
OUTDOOR UNIT
AOU9-15RLS3H

Table of Contents

Related product manuals