EasyManua.ls Logo

Fujitsu AU*24LUAR - Page 20

Fujitsu AU*24LUAR
162 pages
To Next Page IconTo Next Page
To Next Page IconTo Next Page
To Previous Page IconTo Previous Page
To Previous Page IconTo Previous Page
Loading...
04-01
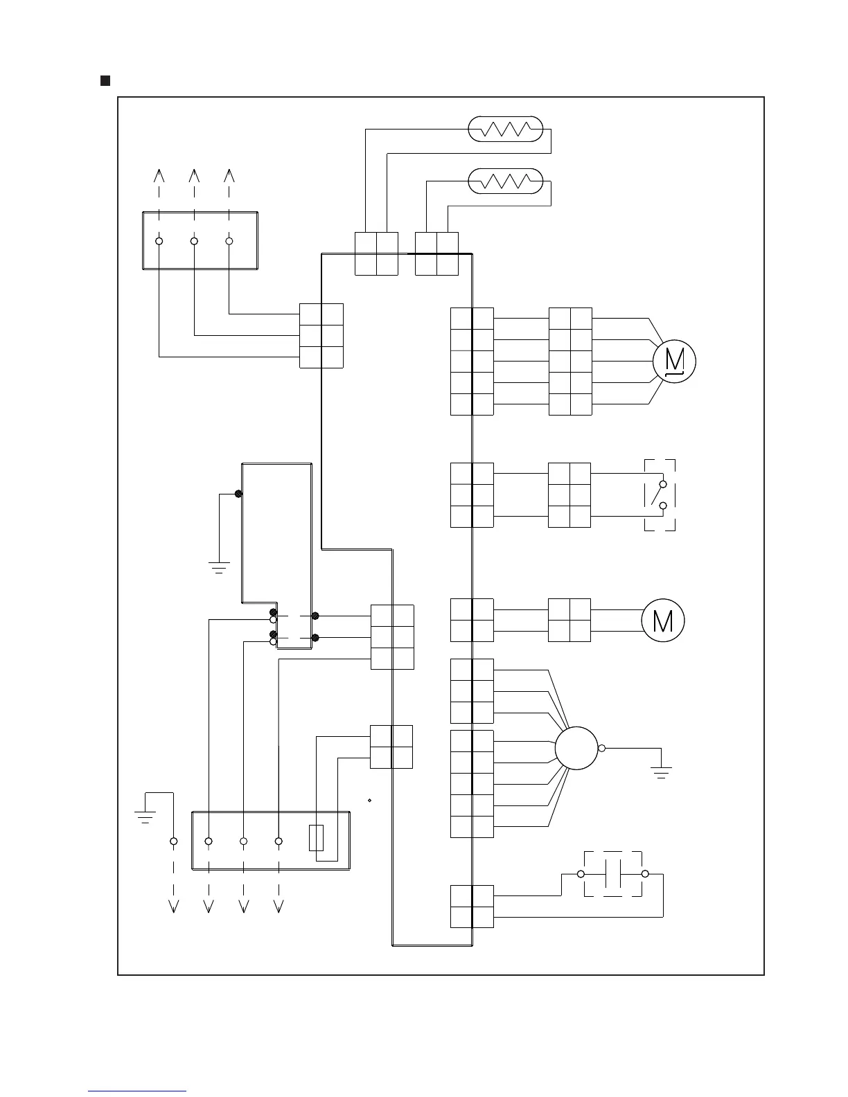
4. CIRCUIT DIAGRAM
MODEL : AU*24LUAR
TO REMOTE
CONTROL UNIT
TERMINAL
1
2
3
1
2
3
THERMISTOR
(PIPE TEMP.)
THERMISTOR
(ROOM TEMP.)
STEPPING
MOTOR
FLOAT
SWITCH
DRAIN PUMP
MOTOR
FAN MOTOR
FAN MOTOR
CAPACITOR
BROWN
RED
RED
GRAY
GRAY
BLACK
BLACK
WHITE
RED
GRAY
GRAY
BLACK
WHITE
BLACK
ORANGE
YELLOW
WHITE
BLACK
BLACK
BLACK
GREEN
WHITE
BLACK
RED
WHITE
GREEN/YELLOW
BLACK
BLACK
WHITE
WHITE
WHITE
RED
PURPLE
BLUE
BLACK
BLACK
BLACK
YELLOW
YELLOW
BROWN
RED
ORANGE
YELLOW
WHITE
1
2
3
4
5
1
2
3
5
6
1
2
3
5
6
1
2
3
1
2
3
1 2 1 2
1 21 2
1
2
3
1
2
3
1
2
3
1
2
3
1
2
3
1
2
1
2
1
2
1
2
1
2
1
2
1
2
1
2
1
2
3
1
2
3
1
2
3
1
2
3
4
5
1
2
3
4
5
1
2
3
4
5
CN10CN15
CN6
CN1CN3
CN16CN5CN4
CN7
CN17
CN8
CONTROL BOARD
TO OUTDOOR UNIT
TERMINAL
THERMAL
FUSE 102 C
L
N
FILTER BOARD
Use T 3.15A 250V
Fuse on F101
FM

Table of Contents

Related product manuals