EasyManua.ls Logo

Fujitsu AUU7RLF - Refrigerant Circuit; Model: AOU18 RLXFZ

Fujitsu AUU7RLF
319 pages
To Next Page IconTo Next Page
To Next Page IconTo Next Page
To Previous Page IconTo Previous Page
To Previous Page IconTo Previous Page
Loading...
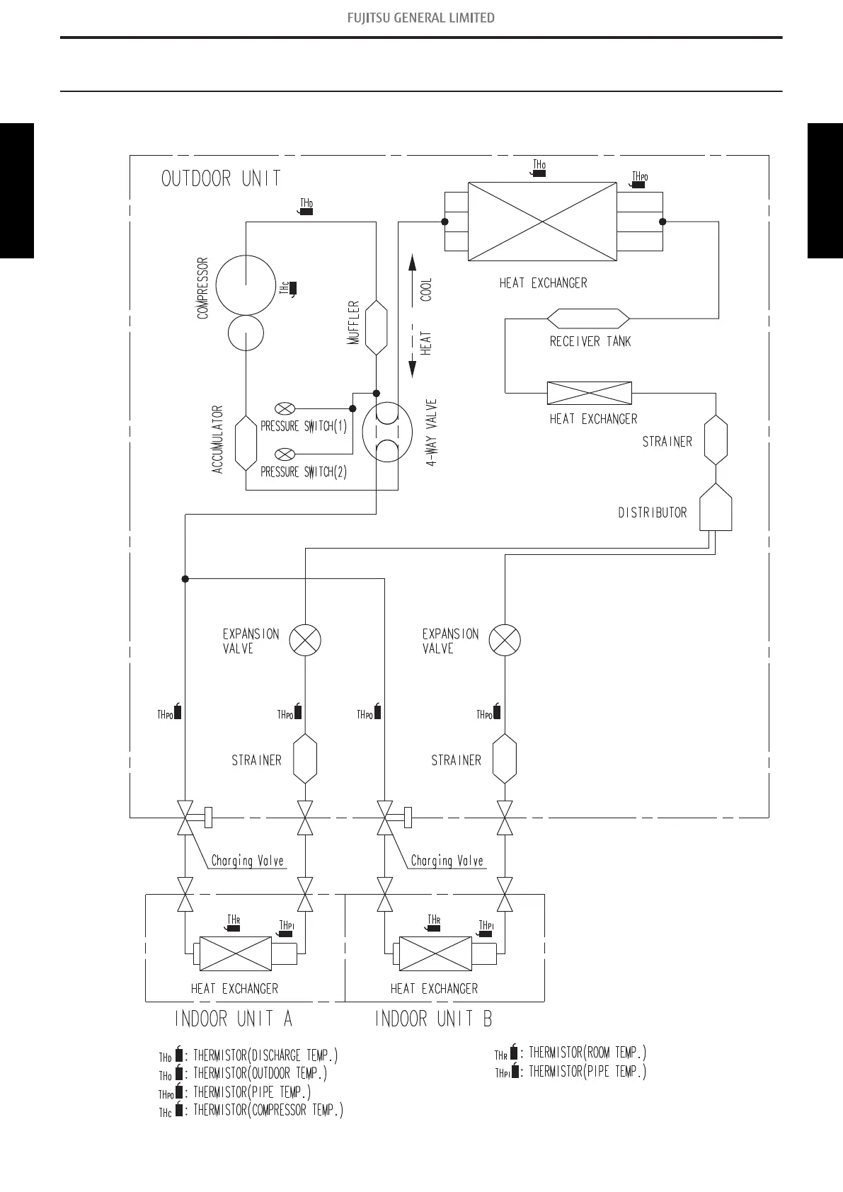
4. Refrigerant circuit
4-1. Model: AOU18RLXFZ
- 181 -
4-1. Model: AOU18RLXFZ 4. Refrigerant circuit
OUTDOOR UNIT
AOU18RLXFZ
OUTDOOR UNIT
AOU18RLXFZ

Table of Contents

Related product manuals