EasyManua.ls Logo

Fujitsu AUU7RLF - Wiring Diagram; Model: AOU36 RLXFZ1

Fujitsu AUU7RLF
319 pages
Print Icon
To Next Page IconTo Next Page
To Next Page IconTo Next Page
To Previous Page IconTo Previous Page
To Previous Page IconTo Previous Page
Loading...
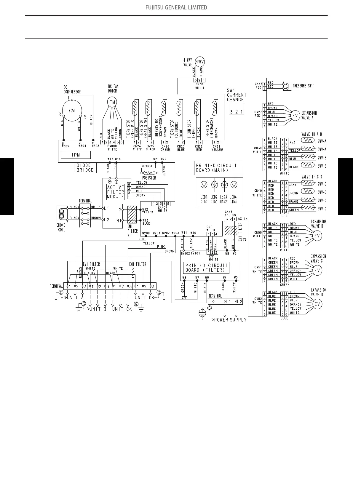
5. Wiring diagram
5-1. Model: AOU36RLXFZ1
- 254 -
5-1. Model: AOU36RLXFZ1 5. Wiring diagram
OUTDOOR UNIT
AOU36RLXFZ1
OUTDOOR UNIT
AOU36RLXFZ1

Table of Contents

Related product manuals