EasyManua.ls Logo

Fujitsu AUU7RLF - Slim Duct Type

Fujitsu AUU7RLF
319 pages
Print Icon
To Next Page IconTo Next Page
To Next Page IconTo Next Page
To Previous Page IconTo Previous Page
To Previous Page IconTo Previous Page
Loading...
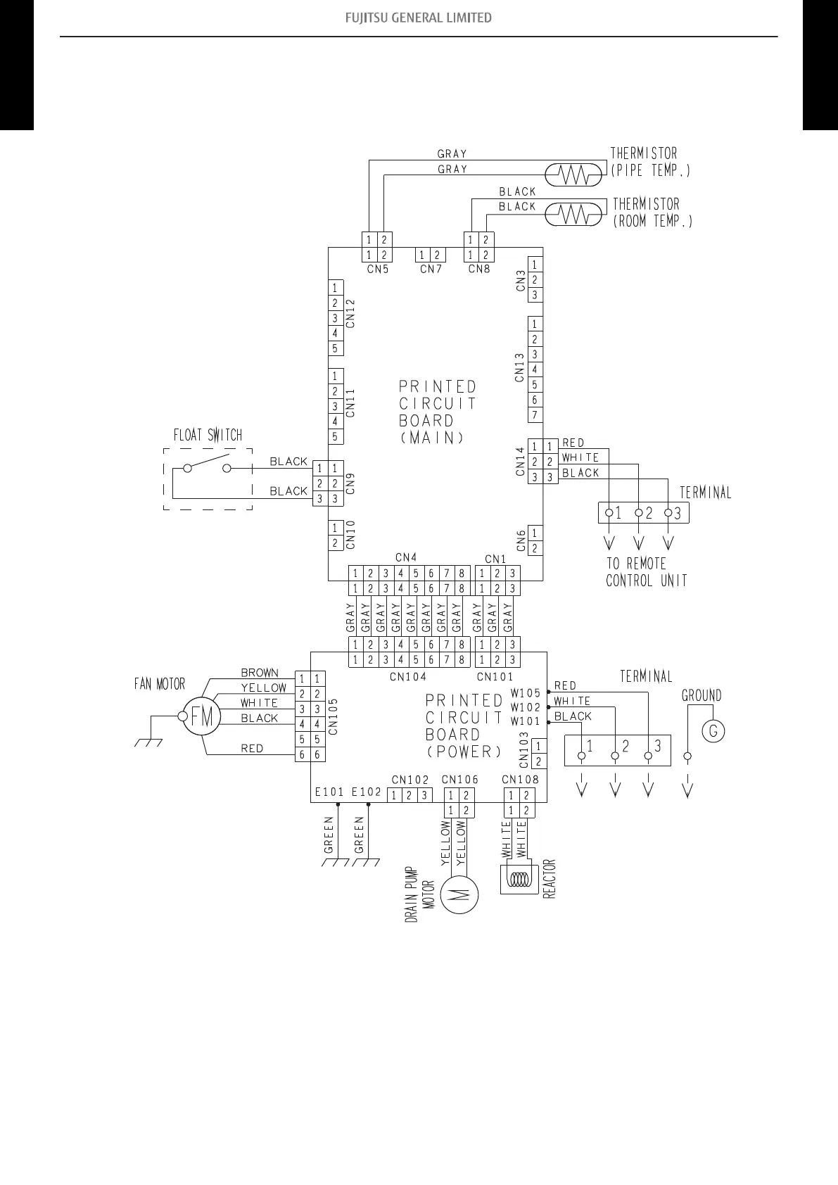
4-2. Slim duct type
¢
Models: ARU7RLF, ARU9RLF, ARU12RLF, ARU18RLF, and
ARU24RLF
- 31 -
4-2. Slim duct type 4. Wiring diagrams
MULTI TYPE
2, 3, 4 ROOMS TYPE
MULTI TYPE
2, 3, 4 ROOMS TYPE

Table of Contents

Related product manuals