EasyManua.ls Logo

Fujitsu AUU7RLF - Page 43

Fujitsu AUU7RLF
319 pages
Print Icon
To Next Page IconTo Next Page
To Next Page IconTo Next Page
To Previous Page IconTo Previous Page
To Previous Page IconTo Previous Page
Loading...
¢
Models: ASU18RLF and ASU24RLF
- 35 -
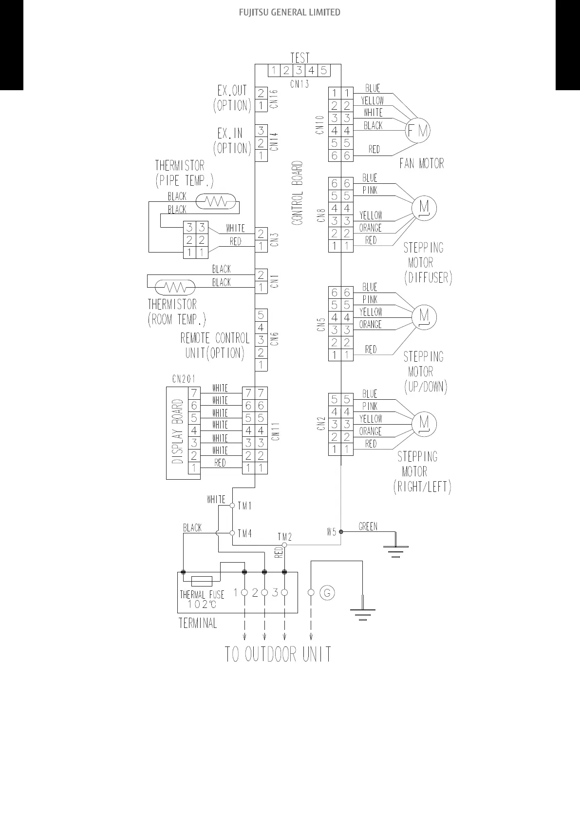
4-3. Wall mounted type 4. Wiring diagrams
MULTI TYPE
2, 3, 4 ROOMS TYPE
MULTI TYPE
2, 3, 4 ROOMS TYPE

Table of Contents

Related product manuals