EasyManua.ls Logo

Fujitsu MHV2100AH - Figure 5.10 Multiword DMA Data Transfer Timing (Mode 2); Multiword Data Transfer

Fujitsu MHV2100AH
280 pages
Print Icon
To Next Page IconTo Next Page
To Next Page IconTo Next Page
To Previous Page IconTo Previous Page
To Previous Page IconTo Previous Page
Loading...
Interface
5-150 C141-E217
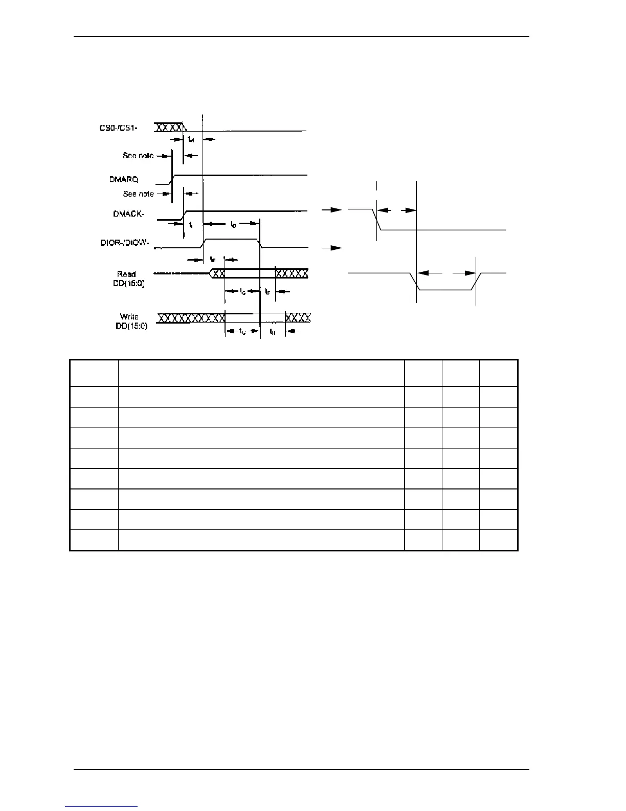
5.6.2 Multiword data transfer
Figure 5.10 shows the multiword DMA data transfer timing between the device
and the host system.
DMACK-
t
D
DIOR-/DIOW-
t
I
Symbol Timing parameter Min. Max. Unit
t0 Cycle time 120 ns
tD Pulse width of DIOR-/DIOW- 70 ns
tE Data Access time for DIOR- 50 ns
tF Data hold time for DIOR- 5 ns
tG Data setup time for DIOR-/DIOW- 20 ns
tH Data hold time for DIOW- 10 ns
tI DMACK setup time for DIOR-/DIOW- 0 ns
t CS (1:0) Available time for DIOR-/DIOW- 25 ns
Figure 5.10 Multiword DMA data transfer timing (mode 2)

Table of Contents

Related product manuals