EasyManua.ls Logo

FUNAI 29D-850 - Page 28

FUNAI 29D-850
53 pages
Print Icon
To Next Page IconTo Next Page
To Next Page IconTo Next Page
To Previous Page IconTo Previous Page
To Previous Page IconTo Previous Page
Loading...
1-10-6
HK4F8SCM4
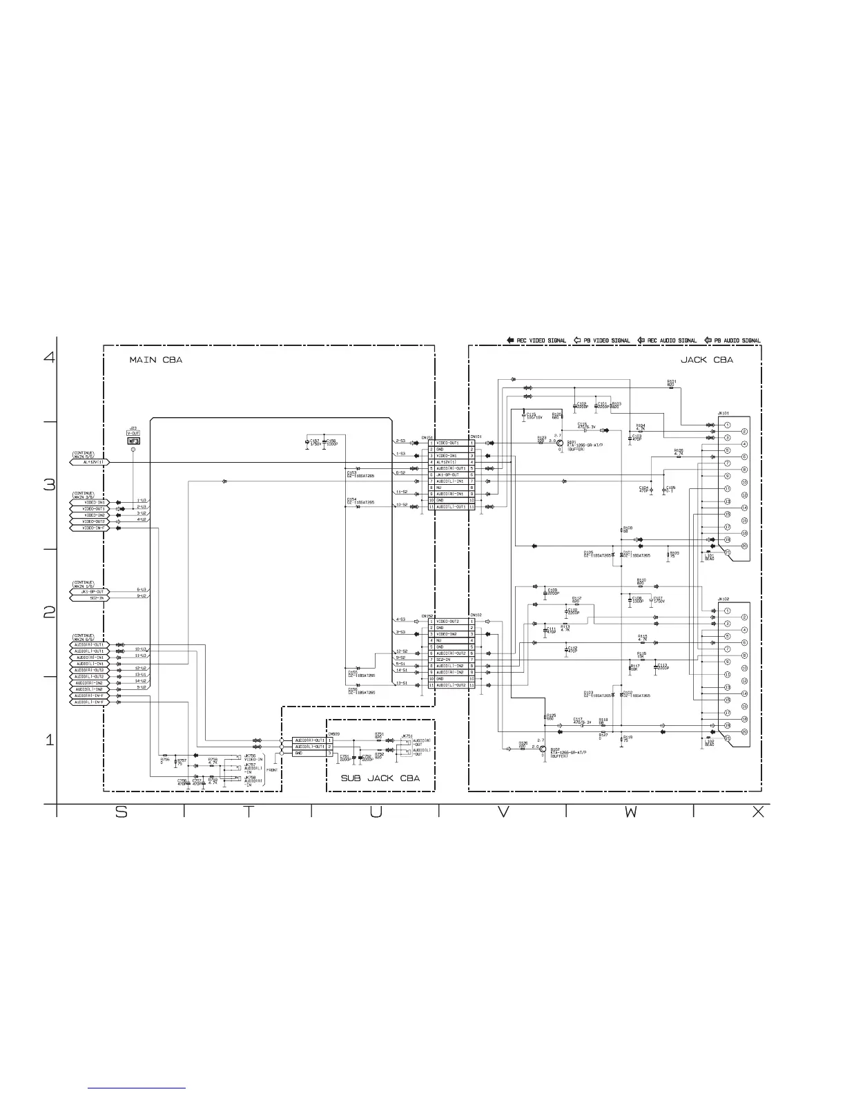
Main 4/6, Jack & Sub Jack Schematic Diagram

Related product manuals