EasyManua.ls Logo

FUNAI LC320SLX - Page 54

FUNAI LC320SLX
241 pages
Print Icon
To Next Page IconTo Next Page
To Next Page IconTo Next Page
To Previous Page IconTo Previous Page
To Previous Page IconTo Previous Page
Loading...
9-10
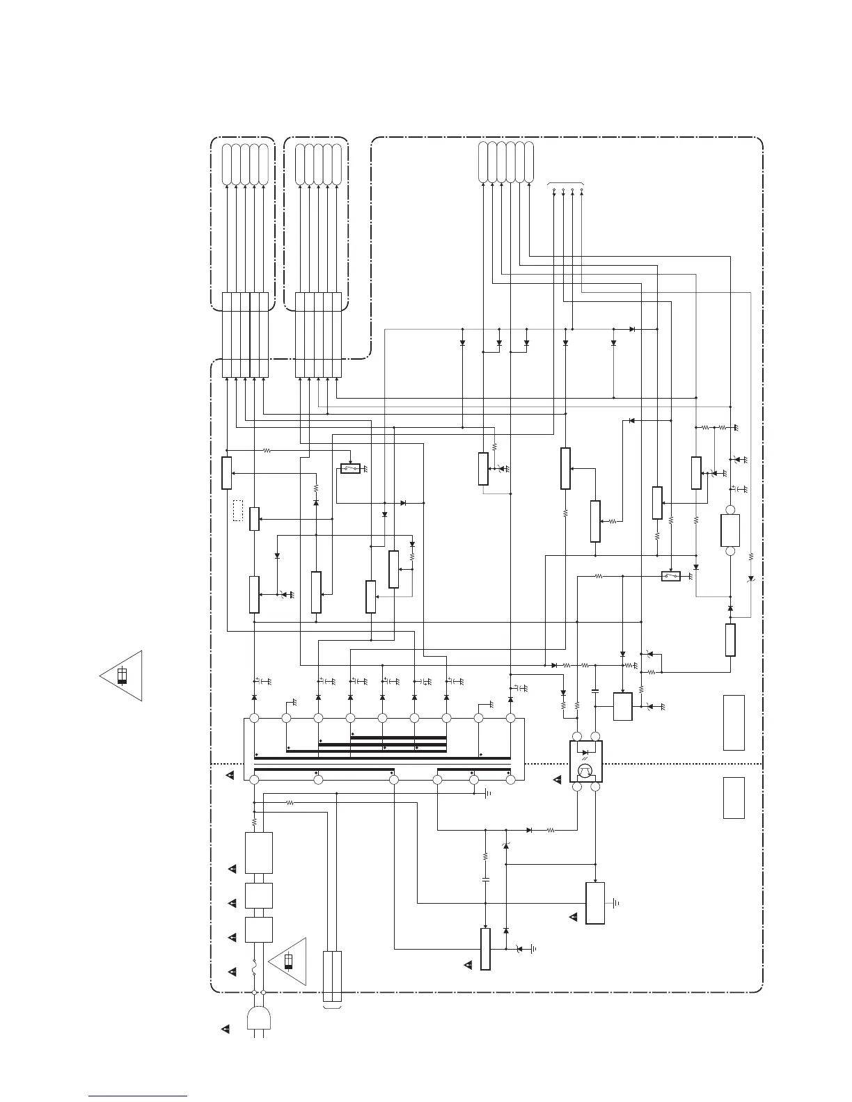
Power Supply Block Diagram
[LC320SLX, 32MF339B/F7, LC320SSX, LC320EMX, LC320EMXF]
A91F3BLP
HOT COLD
POWER SUPPLY CBA
HOT CIRCUIT. BE CAREFUL.
Q602
SWITCHING
CONTROL
14
3 2
IC601
T601
TO
INVERTER
BLOCK
DIAGRAM
(CN1900)
CN602
3
HOT-GND1
ACL2
LINE
FILTER
L601
AC601
AC CORD
BRIDGE
RECTIFIER
D601- D604
5
4
11
14
12
17
18
13
16
15
19
9
7
8
FEED
BACK
Q601
SWITCHING
Q631
CN201 CN1001
CN301 CN3701
Q207,Q208
SWITCHING
Q211
SW-6.8V
SW
Q401
Q209,D204
SW+16V
Q635
IC631
+3.3V
REG.
23
Q634
Q638,Q639
Q641,643
SW+5V
Q640
SW+5V
Q642
SW+9V
Q501
SW+16V
Q637,D666
SW+3.3V
LINE
FILTER
L602
4A/125V
F601
4A/125V
P-ON-H1
TO SYSTEM
CONTROL
BLOCK
DIAGRAM
P-ON-H2
+5V REG.
PROTECT2
PROTECT1
SWITCHING
AL+33V
P-ON+5V
AL+3.3V
AL+13V
TUNER+5V
P-ON+9V
19,20
12
2
8,9
21,22
13,14
LCD+16V
LCD+6.8V
INV+16V
VGH
P-ON+3.3V
P-ON+3V
P-ON+7V
AL+3.3V
P-ON+3.3V
P-ON+5V
INVERTER CBA
DIGITAL MAIN CBA UNIT
13
LCD-6.8V13
P-ON+3.3V19,20
P-ON+3.3V12
10
VGH10
INV+16V2
LCD+16V8,9
AL+3.3V21,22
16
10
P-ON+7V16
P-ON+3V10
P-ON+5V13,14
Q210
Q201, Q202,
Q212
SW+24.5V
*1
CAUTION !
Fixed voltage (or Auto voltage selectable) power supply circuit is used in this unit.
If Main Fuse (F601) is blown , check to see that all components in the power supply
circuit are not defective before you connect the AC plug to the AC power supply.
Otherwise it may cause some components in the power supply circuit to fail.
For continued protection against risk of fire,
replace only with same type 4 A, 125V fuse.
CAUTION ! :
ATTENTION : Utiliser un fusible de rechange de même type de 4A, 125V.
4A/125V
NOTE:
The voltage for parts in hot circuit is measured using
hot GND as a common terminal.
*1 LC320SLX (Serial No. : DS1A**********),
LC320SLX (Serial No. : DS2A**********),
LC320SLX (Serial No. : DS4A**********),
32MF339B/F7,
LC320SSX,
LC320EMX (Serial No. : DS1A**********),
LC320EMX (Serial No. : DS2A**********),
LC320EMX (Serial No. : DS4A**********),
LC320EMXF

Related product manuals