EasyManua.ls Logo

FUNAI LCD-A2006 - LCD Backlight Block Diagram

FUNAI LCD-A2006
55 pages
Print Icon
To Next Page IconTo Next Page
To Next Page IconTo Next Page
To Previous Page IconTo Previous Page
To Previous Page IconTo Previous Page
Loading...
7-6
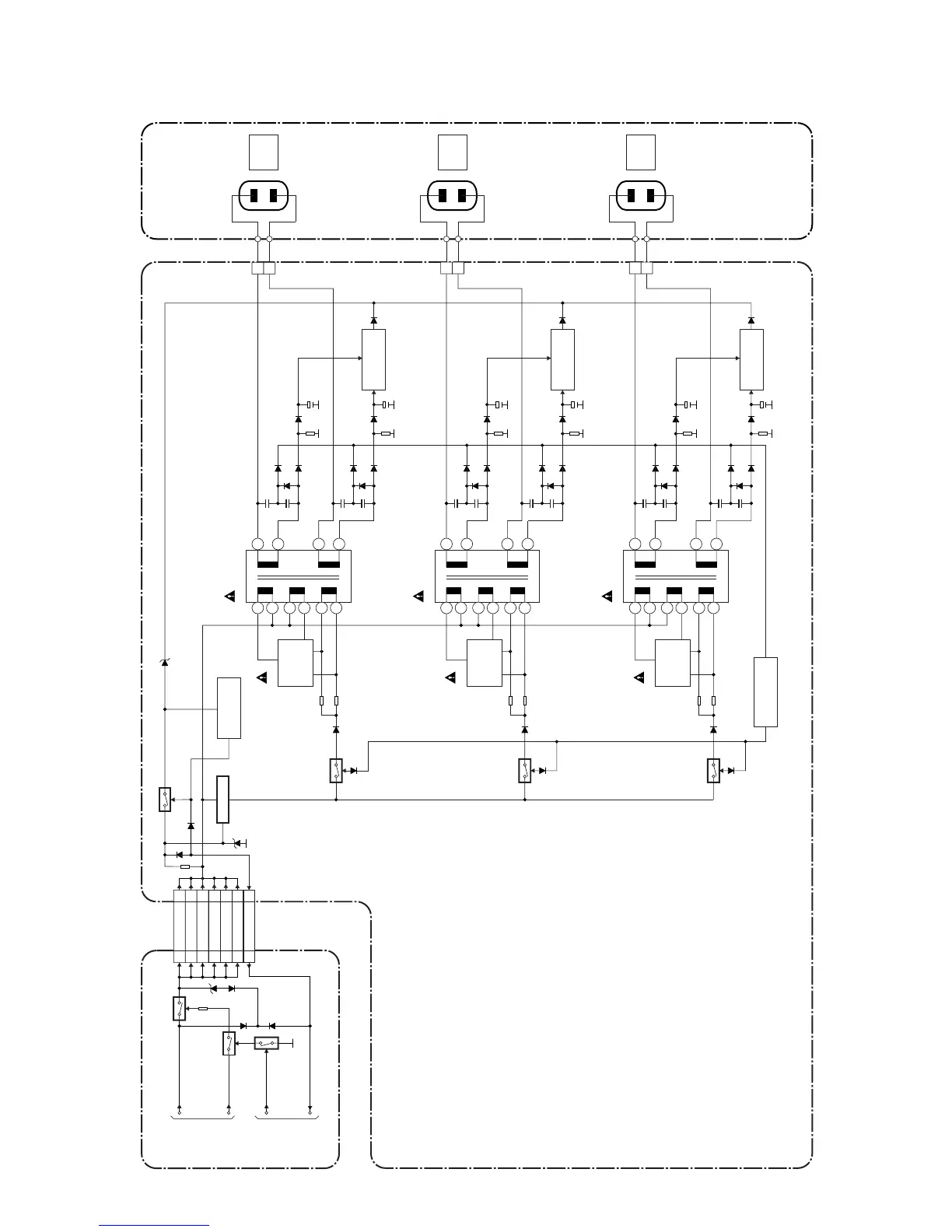
L4620BLLB
LCD Backlight Block Diagram
CURRENT
CONTROL
SWITCH
Q321
Q324
T301
CN301
LCD MODULEINVERTER CBA
BACK
LIGHT
BACK
LIGHT
BACK
LIGHT
OVER VOLTAGE
PROTECTOR
Q322,323
1
2
1
2
CN302
CN303
1
2
INV+22V
AL+40V
BACKLIGHT
-ADJ
PROTECT-1
9
7
3
5
2
6
1
4
10
8
TO
POWER
SUPPLY
BLOCK
DIAGRAM
TO
SYSTEM
CONTROL
BLOCK
DIAGRAM
MAIN CBA
+22V77
CN404 CN304
+22V66
+22V55
+22V44
+22V88
+22V99
CURRENT
CONTROL
SWITCH
Q341
Q344
T302
OVER VOLTAGE
PROTECTOR
Q342,343
9
7
3
5
2
6
1
4
10
8
CURRENT
CONTROL
SWITCH
Q361
Q364
T303
OVER VOLTAGE
PROTECTOR
Q362,363
9
7
3
5
2
6
1
4
10
8
OVER VOLTAGE
PROTECTOR
Q304
Q306
+10V REG.
OVER CURERENT
PROTECTOR
Q325
Q305
PROTECT-133
Q401
Q402
Q403

Related product manuals