EasyManua.ls Logo

FUNAI TD6D-M101 - Page 73

FUNAI TD6D-M101
107 pages
Print Icon
To Next Page IconTo Next Page
To Next Page IconTo Next Page
To Previous Page IconTo Previous Page
To Previous Page IconTo Previous Page
Loading...
1-15-15
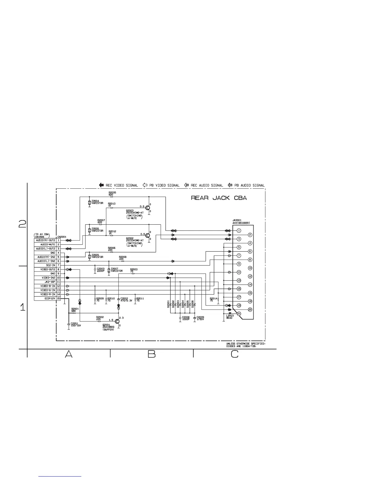
Rear Jack Schematic Diagram < VCR Section >
E3TFGSCRJ

Related product manuals