EasyManua.ls Logo

FUNAI TD6D-M101 - DVD;HDD Main Schematics (7;7)

FUNAI TD6D-M101
107 pages
Print Icon
To Next Page IconTo Next Page
To Next Page IconTo Next Page
To Previous Page IconTo Previous Page
To Previous Page IconTo Previous Page
Loading...
1-15-22
E3TFGSCD7
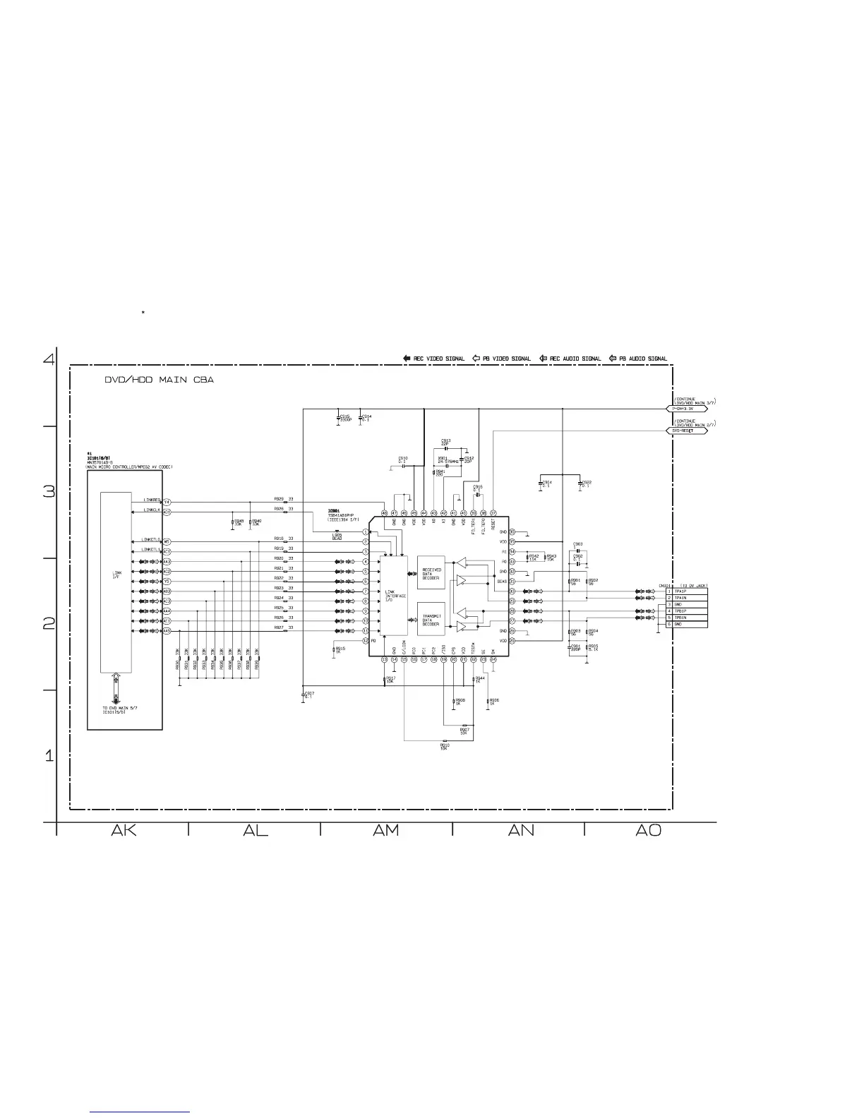
DVD/HDD Main 7/7 Schematic Diagram < DVD/HDD Section >
The order of pins shown in this diagram is different from that of actual IC101.
IC101 is divided into six and shown as IC101 (1/6) ~ IC101 (6/6) in this DVD/HDD Main Schematic Diagram Section.
1 NOTE:

Related product manuals