EasyManua.ls Logo

FUNAI TD6D-M101 - SATA Schematic

FUNAI TD6D-M101
107 pages
Print Icon
To Next Page IconTo Next Page
To Next Page IconTo Next Page
To Previous Page IconTo Previous Page
To Previous Page IconTo Previous Page
Loading...
1-15-24
E3TFGSCSATA
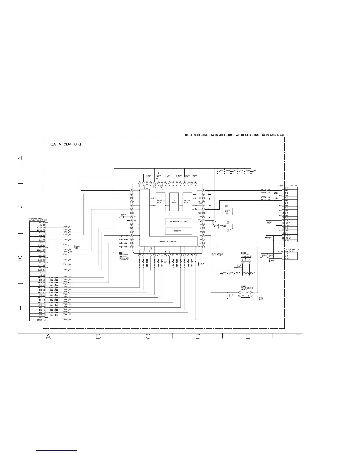
SATA Schematic Diagram

Related product manuals