EasyManua.ls Logo

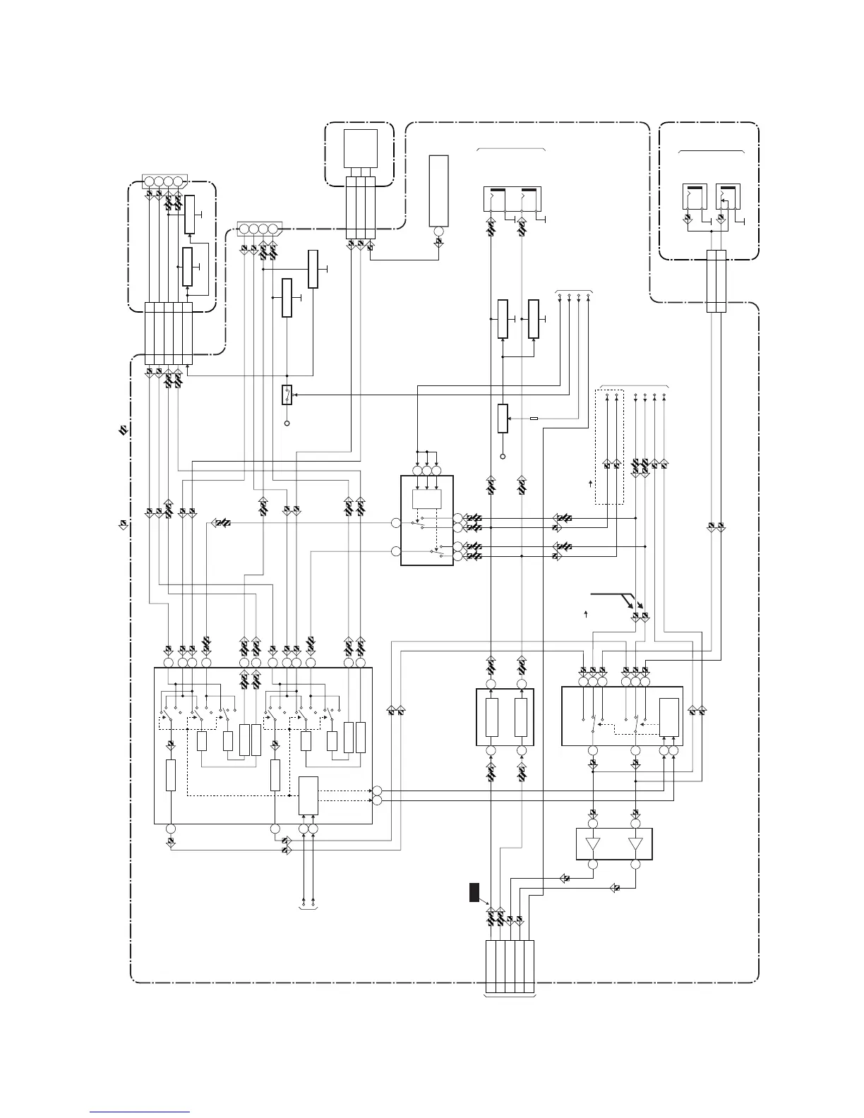
FUNAI W4A-A4180DB - Audio Input;Output Select Block Diagram

FUNAI W4A-A4180DB
85 pages
Print Icon
To Next Page IconTo Next Page
To Next Page IconTo Next Page
To Previous Page IconTo Previous Page
To Previous Page IconTo Previous Page
Loading...
1-11-7
E9G00BLAS
Audio Input/Output Select Block Diagram
REC AUDIO SIGNAL PB AUDIO SIGNAL
DVD-AUDIO-MUTE2
DVD-SCART-AUDIO-MUTE
DVD-AUDIO(L)
DVD-AUDIO(R)
PB/EE-AUDIO(L)
PB/EE-AUDIO(R)
VCR-AUDIO(L)
VCR-AUDIO(R)
JK1505
REARQ1532 Q1539
AUDIO(L)
-OUT
AUDIO(R)
-OUT
JK1202
AUDIO(L)
-IN
AUDIO(R)
-IN
JK1203
SIF OUT
44
TU-AUDIO(R)
2
2
AUDIO-MUTE2
22
SIF
55
TU-AUDIO(L)
33
AUDIO(L)-OUT2
66
AUDIO(L)-IN2
55
AUDIO(R)-IN2
11
AUDIO(R)-OUT2
(
OP AMP
)
IC1506
TU1501 (TUNER UNIT)
7
10
24
6
8
27
33
32
13 15
26
25
1
7
2
6
(AUDIO INPUT SELECT)
(VCR DVD DUBBING)
IC1501
3
13
4
5
11
1
12
14
MUTE-ONDRIVE
Q1540
MUTE-ON
9
10
VCR
FRONT
(L-CH)
VCR
TU/IN1/2
TU/IN1/2
FRONT
(R-CH)
SW CTL
SW
CTL
(OP AMP)IC1513
(SW)
IC1508
OP AMP
OP AMP
2
6
1
7
TO SERVO/SYSTEM
CONTROL
BLOCK DIAGRAM
TO Hi-Fi AUDIO
BLOCK DIAGRAM
WF8
Q1537
Q1507
MUTE-ON
Q1538
MUTE-ON
Q2002
MUTE-ON
Q2003
MUTE-ON
IF SIGNAL
PROCESS
CN1506
CN1507
CL2001
CN1
6
6
6
AUDIO(L)-IN-F
88
AUDIO(R)-IN-F
CN1505
CN1201
JK2001
AUDIO(R)-IN2
AUDIO(L)-OUT2
AUDIO(R)-OUT2
2
AUDIO(L)-IN26
1
3
JK1502
AUDIO(R)-IN1
AUDIO(L)-OUT1
AUDIO(R)-OUT1
2
AUDIO(L)-IN16
1
3
IC1518 (INPUT/OUTPUT SELECT)
AMP
AMP
BUFFER
DRIVER
DRIVER
16
20
12
14
23
22
21
AMP
AMP
BUFFER
LOGIC
CONTROL
DRIVER
DRIVER
DVD-AUDIO-MUTE
IIC-BUS SCL
TO SERVO/SYSTEM
CONTROL BLOCK
DIAGRAM
IIC-BUS SDA
OUTPUT-SELECT
14 15
13 12 1 2
9
10
11
+5V
+5V
(DVD VCR DUBBING)
FRONT
TO DIGITAL
SIGNAL PROCESS
BLOCK DIAGRAM
(CN701)
CN1502
17
15
11
13
AUDIO(R)-OUT
AUDIO(L)-IN
AUDIO(R)-IN
18
DVD-AUDIO-MUTE
AUDIO(L)-OUT
DVD PB
VCR PB
MAIN CBA
FRONT JACK CBA
AFV CBA
REAR JACK CBA

Related product manuals