EasyManua.ls Logo

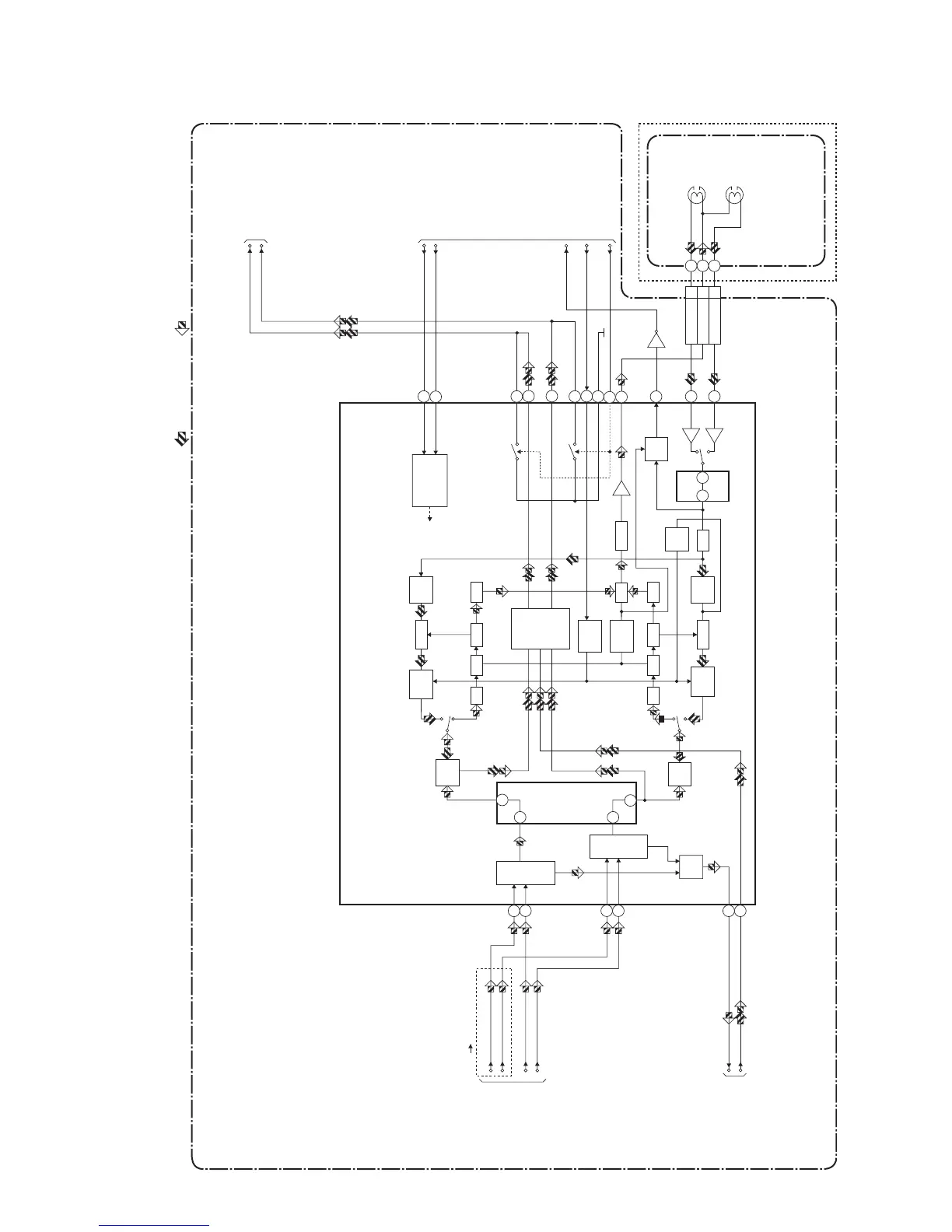
FUNAI W4A-A4180DB - Hi-Fi Audio Block Diagram

FUNAI W4A-A4180DB
85 pages
Print Icon
To Next Page IconTo Next Page
To Next Page IconTo Next Page
To Previous Page IconTo Previous Page
To Previous Page IconTo Previous Page
Loading...
1-11-8
E9G00BLH
Hi-Fi Audio Block Diagram
48
47
14
15
78
R-CH
INSEL
L-CH
INSEL
NOR
SW
SERIAL
DATA
DECODER
OUTPUT
SELECT
VCO
LPF
L-CH
BPF
R-CH
PNR
L-CH
PNR
LIM DEV
COMP
SW
NOISE
VCO
LPF
LIM DEV
COMP
COMP
SW
NOISE
MIX
R-CH
BPF
P
R
R
L
P
R
HOLD
PULSE
NOISE
DET
DO
DET
ENV
DET
34 33
76
77
74
37
38
39
75
73
26
21
53
24
27
N-A-REC
DVD-AUDIO(R)
(DVD VCR DUBBING)
VCR-AUDIO(R)
DVD-AUDIO(L)
VCR-AUDIO(L)
LIM
80
N-A-PB
Hi-Fi-H-SW
AUDIO-MUTE-2
A-MODE
TO AUDIO
BLOCK DIAGRAM
TO AUDIO
INPUT/OUTPUT
SELECT
BLOCK DIAGRAM
TO AUDIO
INPUT/OUTPUT
SELECT
BLOCK DIAGRAM
IIC-BUS SDA
PB/EE-AUDIO(L)
PB/EE-AUDIO(R)
IIC-BUS SCL
TO
SERVO/ SYSTEM
CONTROL BLOCK
DIAGRAM
Hi-Fi-
AUDIO(R)
7
Hi-Fi-COM 8
Hi-Fi-
AUDIO(L)
9
CN251
IC451 ( Hi-Fi AUDIO PROCESS)
REC-AUDIO SIGNALPB-AUDIO SIGNAL Mode : SP/REC
Q451
MUTE-ON
MUTE-ON
50
52
6
4
Hi-Fi
AUDIO(R)
HEAD
Hi-Fi
AUDIO(L)
HEAD
CYLINDER ASSEMBLY
(DECK ASSEMBLY)
DVD PB
MAIN CBA

Related product manuals