EasyManua.ls Logo

FUZRR ES3035 - 6.GUARD Use of Protective Wires; 7.Polarization Index(Pi) and Absorption Ratio(DAR)

FUZRR ES3035
21 pages
Print Icon
To Next Page IconTo Next Page
To Next Page IconTo Next Page
To Previous Page IconTo Previous Page
To Previous Page IconTo Previous Page
Loading...
- 12 -
the measured value. Read the insulation resistance value after the measured
value is fixed.
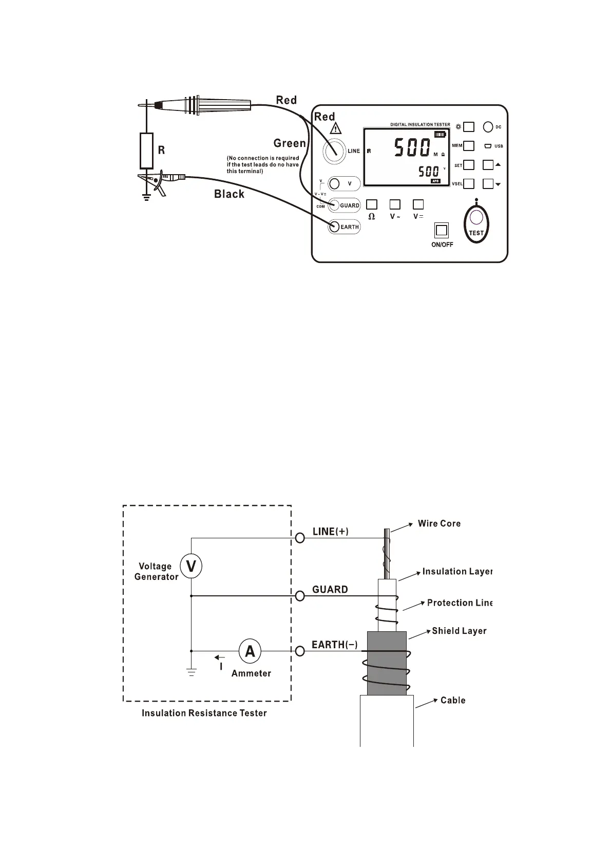
6GUARD Use of Protective Wires
When the insulation resistance of the cable is measured, the leakage
current of the covered surface passes through the interior of the insulator
and the current converges, resulting in an error in the insulation resistance
value. In order to avoid this phenomenon, as shown in the figure below, use
the protection wire (any conductive bare wire) to flow the leakage current
through the part. After connecting to the protection port, the leakage current
does not flow through the indicator and the insulator can accurately measure
the insulation resistance. Please use the protection test cable of the
accessory to connect the protection port.
7Polarization IndexPI and Absorption ratio(DAR)
7.1The function of Polarization indexPIand Absorption ratio(DAR)

Related product manuals