EasyManua.ls Logo

Gabarron PH-125 Plus - Page 10

Gabarron PH-125 Plus
12 pages
Print Icon
To Next Page IconTo Next Page
To Next Page IconTo Next Page
To Previous Page IconTo Previous Page
To Previous Page IconTo Previous Page
Loading...
9
EN
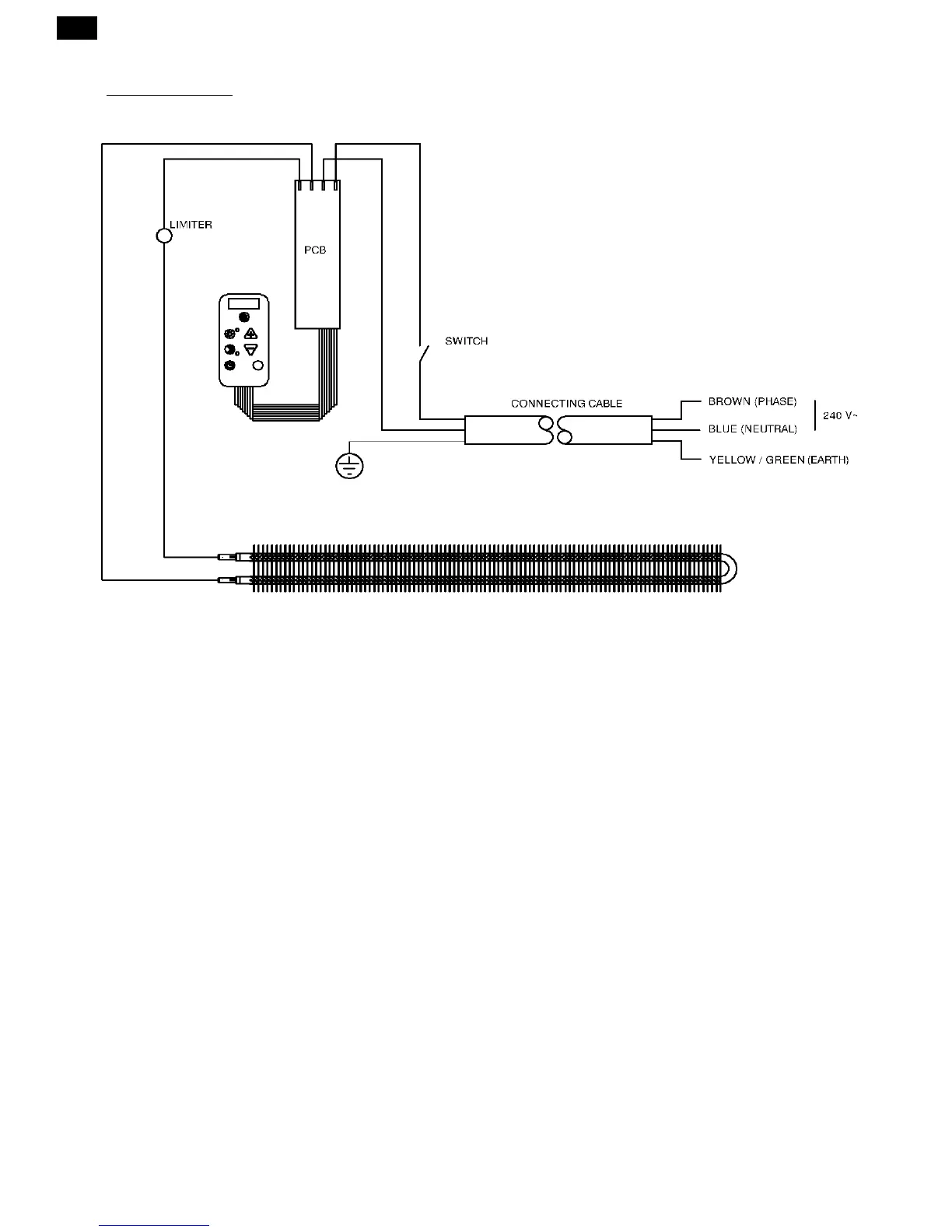
10.- WIRING

Related product manuals