EasyManua.ls Logo

Gamry Reference 3000 - Page 29

Gamry Reference 3000
106 pages
Print Icon
To Next Page IconTo Next Page
To Next Page IconTo Next Page
To Previous Page IconTo Previous Page
To Previous Page IconTo Previous Page
Loading...
Chapter 3 -- Instrument Circuitry--Reference 3000 Schematic/Block Diagrams
3 - 9
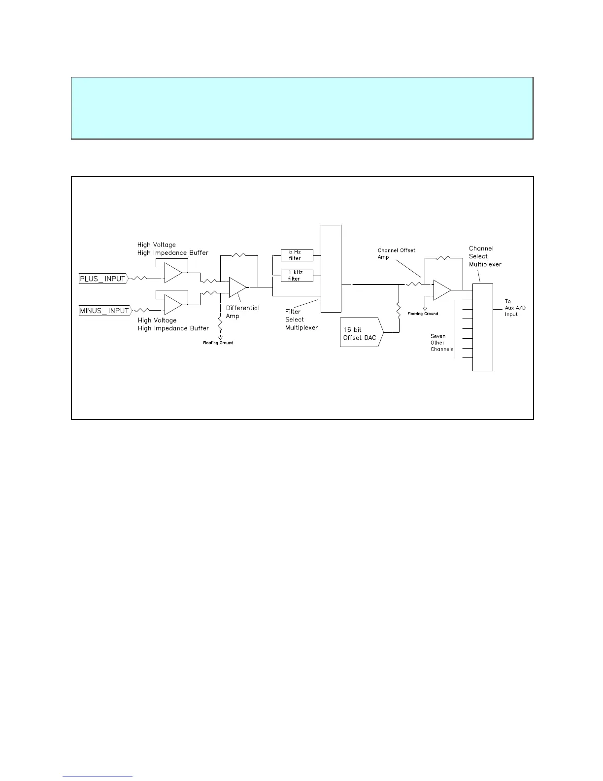
Figure 3-7
One AE Channel
Notes for Figure 3-7:
One of eight identical channels is shown
The input buffers work over the entire Reference 3000 compliance voltage range.
The maximum useable differential voltage between the two inputs on a channel is ± 5 volts.
Each channel has its own filtering. The Aux A/D Channel filter is not useful for switched inputs.
The x10 and x100 gains in the Aux A/D channel can be used to improve A/D resolution.
The inputs have an input impedance of greater than 10
11
Ohms as long as the product is powered.
The inputs will not be damaged by connection to voltages as large as ± 36 volts versus the Reference
3000’s ground, regardless of the compliance voltage setting. This is true even when the Reference 3000 is
not powered up. They cannot measure voltages larger than the compliance voltage.
CAUTION
Power input voltages less than 20 volts or greater than 26 volts can damage the
Reference 3000’s power supply.

Table of Contents

Other manuals for Gamry Reference 3000

Related product manuals