EasyManua.ls Logo

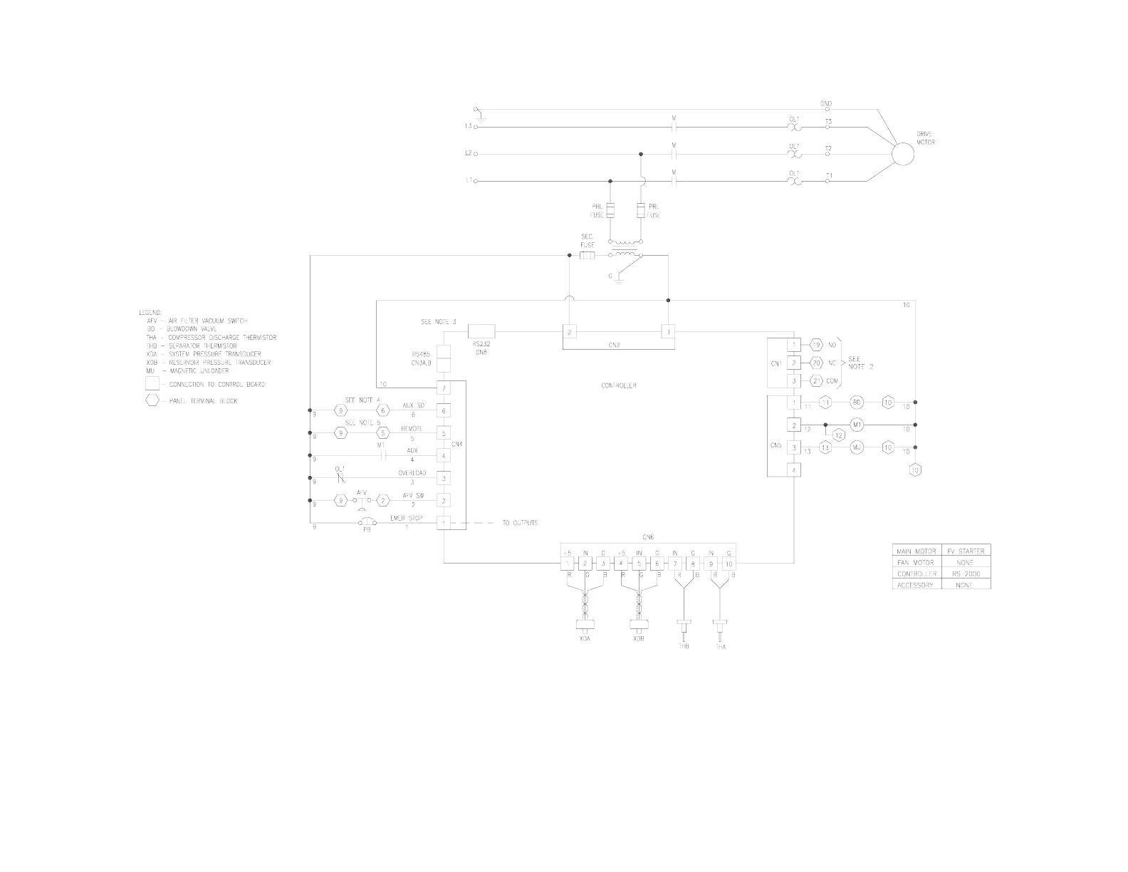
Gardner Denver INTEGRA EFC99F - Figure 4-3 - Wiring Diagram

Gardner Denver INTEGRA EFC99F
53 pages
Print Icon
To Next Page IconTo Next Page
To Next Page IconTo Next Page
To Previous Page IconTo Previous Page
To Previous Page IconTo Previous Page
Loading...
13-8-621 Page 22
4-3 – WIRING DIAGRAM
300EFC546-B
(Ref. Drawing)
Page 1 of 2

Related product manuals