EasyManua.ls Logo

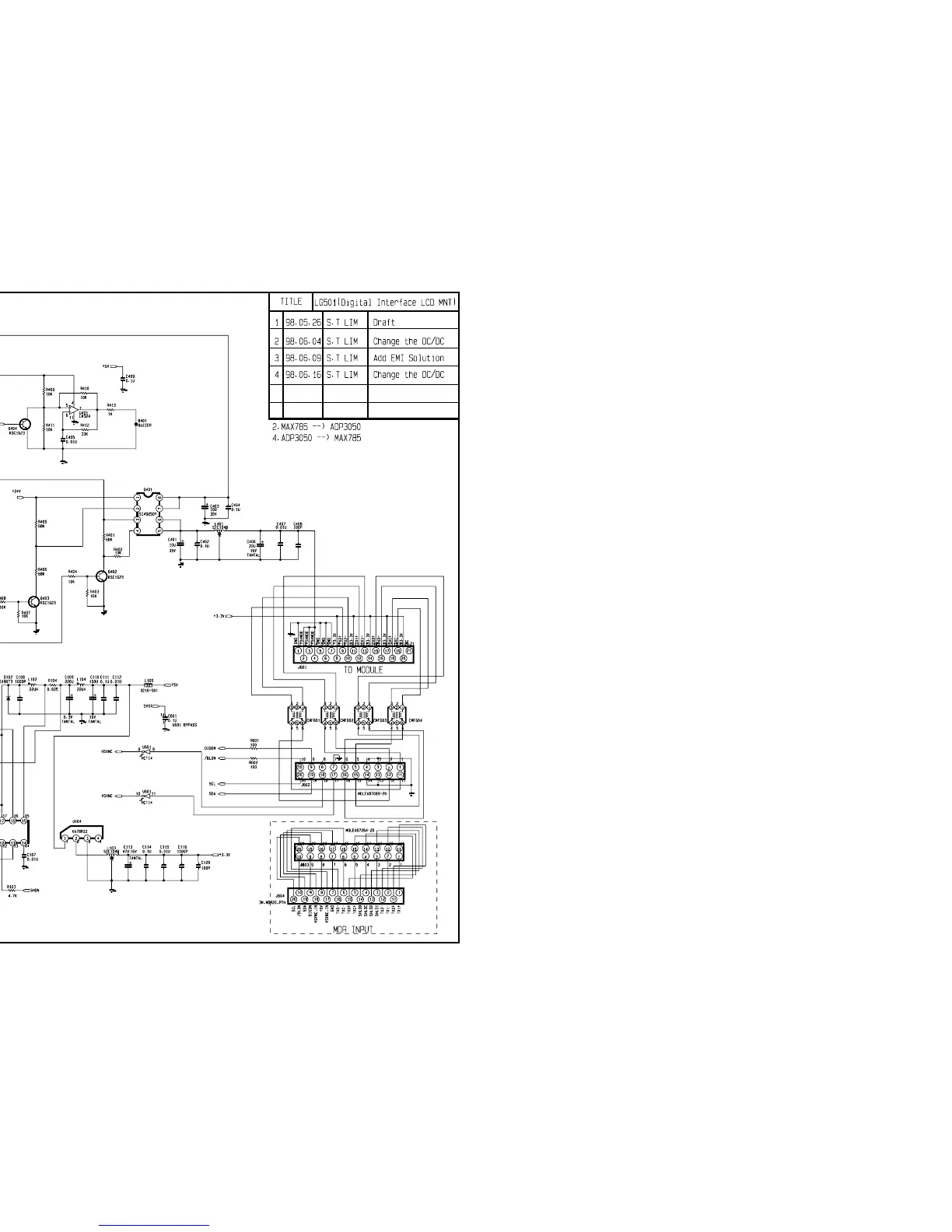
Gateway FPD 1500 - Schematic Diagram

Gateway FPD 1500
26 pages
Print Icon
To Previous Page IconTo Previous Page
To Previous Page IconTo Previous Page
Loading...
SCHEMATIC DIAGRAM