EasyManua.ls Logo

GBC ORCA 64TH - Unwind

GBC ORCA 64TH
35 pages
Print Icon
To Next Page IconTo Next Page
To Next Page IconTo Next Page
To Previous Page IconTo Previous Page
To Previous Page IconTo Previous Page
Loading...
MANUFACTURE OR FOR ANY OTHER PURPOSE WITHOUT WRITTEN
COPIED OR DISCLOSED IN WHOLE OR IN PART, OR USED FOR
FOR ENGINEERING INFORMATION ONLY AND SHALL NOT BE REPRODUCED,
GBC CLAIMS PROPRIETARY RIGHTS TO THE
MATERIAL DISCLOSED ON THIS DRAWING. IT IS ISSUED IN CONFIDENCE
PERMISSION FROM GBC.
PROPRIETARY
C
4151 Anderson Road, DeForest, WI 53532
This print is the property of GBC. The information thereon is remitted in confidence.
UNLESS OTHERWISE SPECIFIED
TOLERANCE
DIM. AS
SHOWN
TOL.
+ 1/64
+ .050
+ .020
+ .010
+ .005
X/X
X
XX
XXX
XXXX
ANGLES
+ 1D
FINISH
TO BE
125
TITLE :
DATE :
DRAWN BY :
DWG SCALE : DWG :
REVISION
CHECKED BY : Sean Flood
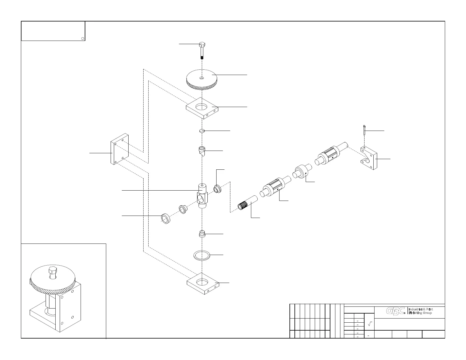
Unwind Assembly
GBC Orca 64 TH
O64TH - 013N/AN/A07/10/03
(2) 613020659
Film Pipe Bracket Support
(?) ?????????
????????????????
(2) 613020756
Tension Wheel
(2) 613020657
Film Pipe Bracket, Upper
(2) 613020755
Tension Washer
(2) 613020706
Brake Block, Upper
(2) 613020768
Stopper Pin
(2) 613020753
Saddle
(2) 613020651
Film Pipe
Assembled View
(4) 706111098
Film Core Assembly
(2) 613020714
Center Core Support
(4) 613020717
Film Shaft Bushing
(2) 613020705
Brake Block, Lower
(2) 701110713
Thrust Needle Roller Bearing Washer
(1) 613020658
Film Pipe Bracket, Lower Left
(1)613020673
Film Pipe Bracket, Lower Right
(2) 613020715
Film Pipe Collar
(2) 613020716
Film Shaft Brake Block

Related product manuals