EasyManua.ls Logo

GBC ORCA 64TH - Main Roller Lift

GBC ORCA 64TH
35 pages
Print Icon
To Next Page IconTo Next Page
To Next Page IconTo Next Page
To Previous Page IconTo Previous Page
To Previous Page IconTo Previous Page
Loading...
MANUFACTURE OR FOR ANY OTHER PURPOSE WITHOUT WRITTEN
COPIED OR DISCLOSED IN WHOLE OR IN PART, OR USED FOR
FOR ENGINEERING INFORMATION ONLY AND SHALL NOT BE REPRODUCED,
GBC CLAIMS PROPRIETARY RIGHTS TO THE
MATERIAL DISCLOSED ON THIS DRAWING. IT IS ISSUED IN CONFIDENCE
PERMISSION FROM GBC.
PROPRIETARY
C
4151 Anderson Road, DeForest, WI 53532
This print is the property of GBC. The information thereon is remitted in confidence.
UNLESS OTHERWISE SPECIFIED
TOLERANCE
DIM. AS
SHOWN
TOL.
+ 1/64
+ .050
+ .020
+ .010
+ .005
X/X
X
XX
XXX
XXXX
ANGLES
+ 1D
FINISH
TO BE
125
TITLE :
DATE :
DRAWN BY :
DWG SCALE : DWG :
REVISION
CHECKED BY : Sean Flood
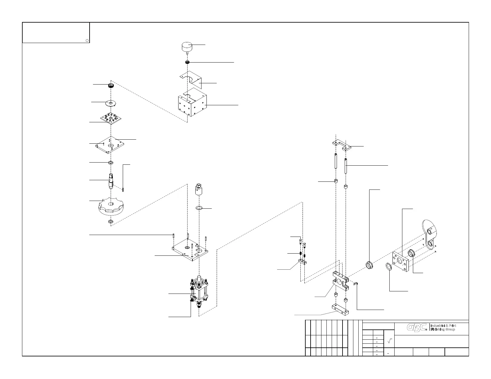
Main Roller Lift Assembly
GBC Orca 64 TH
O64TH - 006N/AN/A07/10/03
(2) 609050311
Synchronous Motor
(2) 701080174
Steel Spur Gear, 20T
(1) 601220345 (601220346)
Motor Bracket Cover, Left (Right)
(1) 601220343 (601220342)
Motor Bracket, Left (Right)
(2) 701080175
Steel Spur Gear, 40T
(1) 601220340 (601220341)
Disk Plate, Left (Right)
(2) 706011196
PCB, Tension Adjust
(8) 601220317
Upper PCB Spacer
(1) 601220308 (601220307)
Upper Tension Adjust Support Block, Left (Right)
(10) 701010133
Ball Bearing, #6804
(2) 601220311
Tension Adjust Shaft
(2) 613020650
Tension Adjust Blcok
(2) 601220354
Tension Adjust Shaft Key
(8) 601220318
Lower PCB Spacer
(1) 601220309 (601220310
Lower Tension Adjust Supprt Blcok, Left (Right)
(2) 703070281
Cylinder,
(8) 703070286
Speed Controller
(2) 701110411
Wave Washer, F18
(2) 601220304
Lower Guide Support
(2) 701050291
Du Bushing, 50*20
(2) 601220302
Lower Heat Roller
Bearing Housing
(2) 701110713
Needle Roller Bearing
Washer, AS5070
(2) 601220344
Interruptor Plate
(4) 601220359
Guide Bolt
(4) 701090186
Roller Tension Spring
(2) 601220361
Press Plate
(2) 601220301
Upper Heat Roller Bearing Housing Plate
(2) 601220303
Upper Guide Support
(4) 613020301
Heat Roller Guide Shaft
(8) 701050158
Du Bushing, 20 *30
(2) 701050292
Du Bushing, 50*30

Related product manuals