EasyManua.ls Logo

GE 400 - Led 1; LED 4 A LED 4 B LED

GE 400
79 pages
Print Icon
To Next Page IconTo Next Page
To Next Page IconTo Next Page
To Previous Page IconTo Previous Page
To Previous Page IconTo Previous Page
Loading...
Modifications reserved Page 24/79
OPM_SGS_USM_M40_M50_2US_V010.doc User Manual SG Series 400 & 500 UL S2
SG Series S2 500
UPS Model UPS series number UPS nominal rating (kVA)
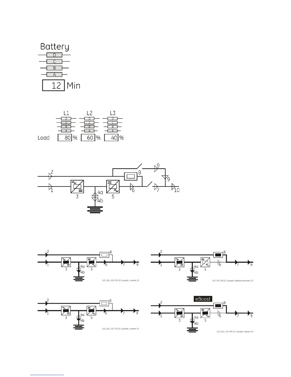
Battery level LED
All lightning lit LED open indicate a battery autonomy of 100%.
LED A Fixed: indicates a battery autonomy between 6% and 25%.
Blinking: indicates a battery autonomy 5%.
LED A, B Indicate a battery autonomy between 26% and 50%.
LED A, B, C Indicate a battery autonomy between 51% and 99%.
Min: Battery autonomy time in minutes estimates with actual load.
Load level LED
All LED Off indicate a load status at 25%.
LED A Indicates a load level between 26% and 50%.
LED A, B Indicate a load level between 51% and 75%.
LED A, B, C Indicate a load level between 76% and 100%.
LED A, B, C, D Indicate a load level between 101% and 124%.
LED D blinking Indicates a load level 125%.
Fig. 6.1-2 LEDs on Synoptic Diagram
LEDs on Synoptic Diagram
LED 1 Utility Rectifier OK
LED 2 Utility Bypass OK
LED 3 Rectifier ON
LED 4a Discharging Battery
LED 4b Charging Battery
LED 5 Inverter available
LED 6 Inverter ON
LED 7 Q1 closed (load on UPS)
LED 8 Automatic Bypass ON
LED 9 Manual Bypass Q2 ON
LED 10 Load on UPS
Examples of typical scenarios in the Synoptic Diagram:
Load supplied by Inverter Load supplied by Automatic Bypass
Load supplied by Battery Load supplied by eBoost™ Operation Mode (option)
When the Load is supplied by eBoost™ Operation Mode
the “eBoost” text is displayed.

Table of Contents

Related product manuals