EasyManua.ls Logo

GE VAT20 - Page 14

GE VAT20
49 pages
Print Icon
To Next Page IconTo Next Page
To Next Page IconTo Next Page
To Previous Page IconTo Previous Page
To Previous Page IconTo Previous Page
Loading...
14
(A) External wiring should be carried out in accordance with following requirement. Check and
reassure the wiring is correct after the wiring is complete. (Do not utilize the control circuitry
buzzer to check the wiring.)
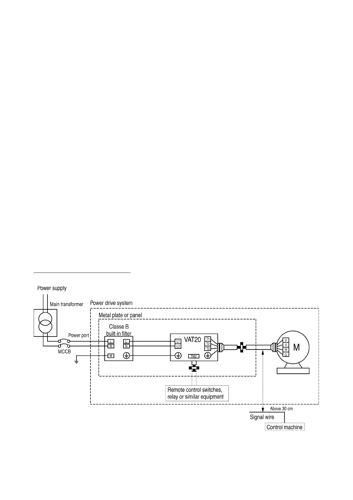
EMI connecting:
It is very important that the connections between the frequency inverter with the screened motor cable
and the EMI filter during the EMI tests are as following.
l Use a metal grounding plate and place the frequency inverter and the EMI filter on the plate.
l Use a screened motor cable with 4 connectors ( U,V,W,& Earth ), don’t use the shielding as
safety earth ( shield is high frequency earth )
l Remove painting around the two metal coupling nut holes. So that the metal coupling nuts (and
the shielding) make contact with the frequency inverter and the motor.
l Don't solder a conductor to the shielding (pig tail)
l Use a metal clamp to connect the shielding from the motor cable with the metal grounding plate.
Now there is a perfect high frequency earth connection between frequency inverter . grounding
plate and EMI filter.
l Keep the distance between frequency inverter and EMI filter as short as possible ( < 30cm )
otherwise use screened cable with a metal coupling nut and a metal clamp addle to connect the
shielded cable to the frequency inverter and metal grounding plate.
l The only earth connection between the LISN and the test plate should be via the EMI filter.
l Use a motor which equals the power rating or below of the inverter rating.
l Install a noise filter for inverter onto the output side of the primary circuitry can suppress conduc-
ting noise (for residential environment only). To reduce radio active noise, use a shielded wire
between motor and drive, this wiring should be away from control wiring for more than 30 cm.
Class B, Residential Environment

Related product manuals