EasyManua.ls Logo

GE Wizard DPSE592GA0 - Page 27

GE Wizard DPSE592GA0
40 pages
Print Icon
To Next Page IconTo Next Page
To Next Page IconTo Next Page
To Previous Page IconTo Previous Page
To Previous Page IconTo Previous Page
Loading...
25
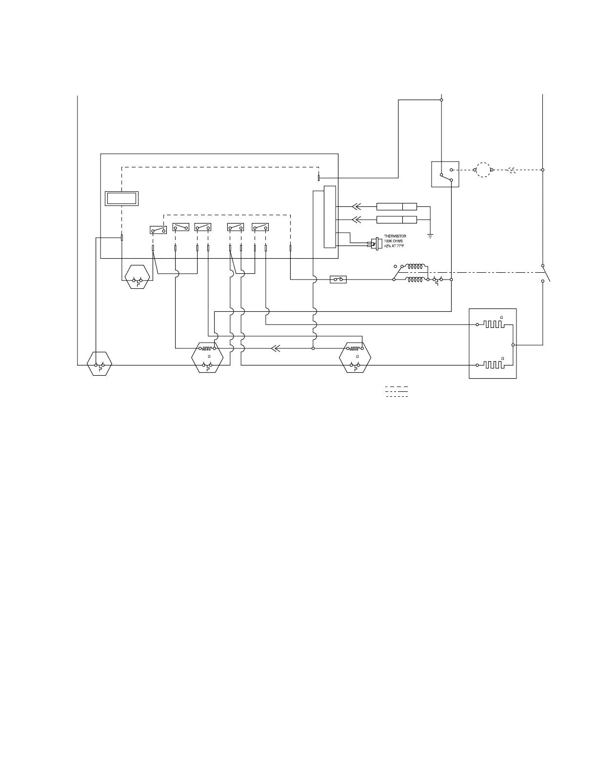
L3 Dryer - Electric Model
Note: See schematic for proper switch connections.
1. Heater coil resistance is shown on the wiring schematic. Check for infinite resistance between
any heater terminal and dryer cabinet. Heater failure could result from low airflow caused by
improper sealing, kinked or excessive ducting, or excessive line voltage.
2. Other factors contributing to long dry times or clothes conditions include load size, number of
large or bulky items, ambient temperature, room size (if not exhausted outdoors), wetness of
clothes, and washer rinse temperature.
3. Small loads (less than 3 lb) may develop static, causing clothes to cling to the drum surface
(no tumble) and resulting in wrinkles, shrinkage, or melting. Use a fabric softener in the
washer or dryer, or add two large bath towels to act as a buffer when drying.
GEA00552
9K9K
1
3
4
5
6
ELECTRONIC DRYER
POWER BOARD
POWER/START
RELAY
K1-no
INLET
BIAS
RELAY
K3-no
(ULTRACARE)
OUTER COIL
RELAY (15A)
K4-no
INNER COIL
RELAY (15A)
K5-no
OUTLET
BIAS RELAY
K2-no
G8PG8PG5S
RED
ORANGE
ORANGE
BROWN/WHITE
BLUE
BLACK
BLACK
PURPLE
GRAY
ORANGE
L1
L1
1 6 8 7 J 16 9 10 2A
N
N
L2
G5S
SAFETY
THERMO LEFT
DRUM
OUTLET
CONTROL
INLET
THERMO
HI-LIMIT
RIGHT
BROWN BROWN
IDLER SWITCH
BLACK
BLUE
BLUE
PURPLE
GRAY
YELLOW
RUNM5
M6
M4
START
DRUM/BLOWER MOTOR
OVERLOAD
PROTECTOR
OUTER COIL 19.2
HEATER HOUSING
INNER COIL 19.2
M2
M1
YELLOW
YELLOW
YELLOW
PURPLE
G8P
TRANSFORMER
PINK
GRAY
BLUE
WHITE
BLUE
RED
THERMISTOR ASSEMBLY
PINK
LOWER ROD MOV
NO
NC
WHITE BLACK BLACK/RED
DRUM LAMP
COM
DOOR
SWITCH
UPPER ROD MOV
GRAY
GREEN
BROWN/YELLOW
WHITE
SOLDER TRACES ON PC BOARD
GANGED SWITCH
COMMERCIAL OMITTED
LEGEND
Caution: Label all wires prior to disconnection when
servicing the controls. Wiring errors can cause
improper and dangerous operation. Verify proper
operation after servicing.

Related product manuals