EasyManua.ls Logo

Generac Mobile G4-ECO - DC Schematic

Generac Mobile G4-ECO
44 pages
Print Icon
To Next Page IconTo Next Page
To Next Page IconTo Next Page
To Previous Page IconTo Previous Page
To Previous Page IconTo Previous Page
Loading...
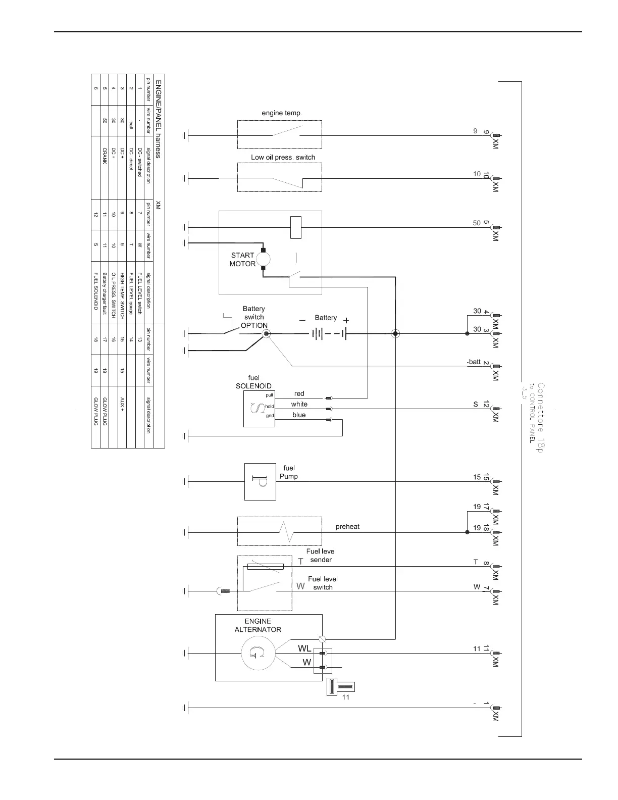
Owner’s Manual for G4-ECO Light Tower 37
Wiring Diagrams
DC Schematic

Table of Contents

Related product manuals