EasyManua.ls Logo

Generac Power Systems 14 kW LP

Generac Power Systems 14 kW LP
210 pages
To Next Page IconTo Next Page
To Next Page IconTo Next Page
To Previous Page IconTo Previous Page
To Previous Page IconTo Previous Page
Loading...
Section 7
8KW 2010 AIR-COOLED HSB
ENGINE COMPARTMENT
CONTROL PANEL
SP1
IM1
HTO
LOP
0
CHOKE
SOLENOID
RED
BLK
FRAME
GND
0
ENGINE
GND
0
56
0
23
0
820
817
818
56
90
FUEL
SOLENOID
23
194
209
56
18
86
210
14
820
85818
817
13
0
90
0
86
85
0
0
14
0
194
209
210
J1 J1
2
1
SC
SM
13
16
0
56
5656
56
0
0
0
0
819
819
13
BEARING
BA
0
4
44
22
33
11
STATOR
1 52 3 4 76 8 119 10 12 13 14 15 16 17 18
J3
J4
MAIN
CONTROLLER
ACTUATOR
GOVERNOR
0
1 52 3 4 76 8 119 10 12 13 14
J5
19 20 21 22 23
6
411
44N2
2N1
4
44
11
11
44
2 6
2
6
CLOSEST TO
44
33
11
0
4
11
44
2
6
00
00
DIODE
FIELD BOOST
44
22
T1A
T1
T1A
SEE
C1
11
44
2
6
6
5
2
1
4
3
PIN #
C1
TABLE
FOR
PINOUT
0
4
11
44
2
6
0
4
11
44
2
6
6
5
2
1
4
3
PIN #
C1
0
4
11
44
2
6
0
4
11
44
2
6
0
4
TABLE FOR C1 WIRING OPTIONS
0
0
0
18
GROUND
+ BATT
TRANS SIG
0
CUSTOMER SUPPLIED
BATTERY
12V
+
-
0
BLACK
13
RED
0
CB1
CUSTOMER CONNECT AREA
240V GENERATOR
OUTPUT TO TRANSFER
SWITCH CONTACTOR
44 11
820
817
818
1
2
3
4
LED BOARD
L1
L3
L2: YELLOW = MAINTENANCE REQ'D
L3: RED = ALARM
LEGEND
BA - BRUSH ASSEMBLY
CB1 - CIRCUIT BREAKER, MAIN OUTPUT
GND - GROUND
HTO - HIGH TEMPERATURE SWITCH
IM_ - IGNITON MODULE
SC - STARTER CONTACTOR
SM - STARTER MOTOR
SP_ - SPARK PLUG
- SPLICE
- DISCONNECT SPLICE
IC
44
22
33
11
23
820
817
818
194
209
210
COMMON
ALARM
00
00
0
GND
0 0 00 00
0
0
0
819
819
L1: GREEN = SYSTEM READY
L2
0
0
0
194
209
210
23
NEUT
22
33
WHT
T1A
MOV
WHT
11
44
LOP - LOW OIL PRESSURE SWITCH
MOV - VARISTOR
C1 - ALTERNATOR CONNECT
BA
18
0
85
HTO
0
12V
BATTERY
SC
IM1
SP1
44
11
POWER
WINDING
33
22
WINDING
POWER
STATOR
56
820
817
818
819
ACTUATOR
J3
GOVERNOR
OUTPUT
GENERATOR
240 VAC
INPUT
UTILITY
240 VAC
GROUND
COMMON
1886
0
209
0
FS
11
44
CB1
210
0
CS
J5
PRINTED CIRCUIT BOARD
CONTROLLER
J4
18171615141312109 1186 7
C1 - ALTERNATOR CONNECT
IM_ - IGNITION MODULE
HTO - HIGH TEMPERATURE SWITCH
FS - FUEL SOLENOID
LEGEND
SCR - STARTER CONTROL RELAY
SC - STARTER CONTACTOR
CS - CHOKE SOLENOID
SM - STARTER MOTOR
BA - BRUSH ASSEMBLY
SP_ - SPARK PLUG
TRANSFER
+ BATTERY
23
194
ALARM
21 43 5 2322212019
90
0 13
817
818
819
85
820
14
14
210
LOP
0
86
56 194 J1J1
209 23
141312109 1186 721 43 5
N1
T1
00 2
N2
44
11
0
4
6
T1
N2
N1
T1
N2
N1
44
11
00
6
4
0
11
44
WINDING
EXCITATION
ROTOR
6
4
0
DIODE
FIELD BOOST
0
56
56
56
4
16
SC
SM
13 13
0
0
86
56
0
819
818
817
820
1
2
3
4
LED BOARD
L1
L2
L3
00
NEUTRAL
22
33
WHT
LOP - LOW OIL PRESSURE SWITCH
MOV - VARISTOR
MOV
T1A
LOAD SUPPLY
120 VAC
0
2
6
4
11 44
SEE TABLE FOR PINOUT
C1
0
2
6
4
11 44
0
2
6
4
6
4
3
5 2 1
PIN #
C1
0
2
6
4
11 44
1
11 44 2
6
6
4
3
5 2 1
2
6 11 44
1
11 44
PIN #
C1
0 4
0 4
TABLE FOR C1 WIRING OPTIONS
CB1 - CIRCUIT BREAKER, MAIN OUTPUT
L2: YELLOW = MAINTENANCE REQ'D
L3: RED = ALARM
L1: GREEN = SYSTEM READY
Page 176
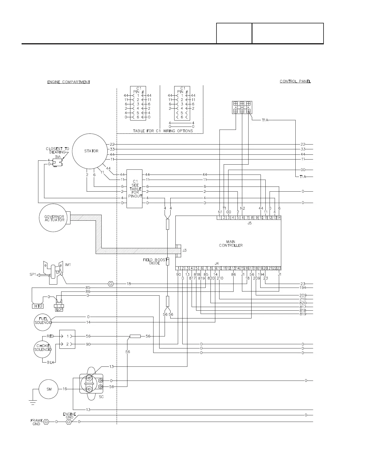
Wiring Diagram – Drawing 0H6912-B
ELECTRICAL DATA
PART 7

Table of Contents

Related product manuals