EasyManua.ls Logo

Generac Power Systems 14 kW LP

Generac Power Systems 14 kW LP
210 pages
To Next Page IconTo Next Page
To Next Page IconTo Next Page
To Previous Page IconTo Previous Page
To Previous Page IconTo Previous Page
Loading...
Section 7
10-14KW 2010 AIR-COOLED HSB
ENGINE COMPARTMENT
CONTROL PANEL
1 52 3 4 76 8 119 10 12 13 14 15 16 17 18
J4
MAIN
CONTROLLER
SP1
IM1
SP2
IM2
HTO
LOP
0
CHOKE
SOLENOID
RED
BLK
SC
SM
FRAME
GND
0
ENGINE
GND
0
13
14
56
A
0
B
SCR
16
13
16
0
23
13
14
90
FUEL
SOLENOID
1 52 3 4 76 8 119 10 12 13 14
J5
19 20 21 22 23
23
194
209
56
18
86
210
14
820
85818
817
13
0
90
6
4
0
11
44
2
0
86
85
0
0
0
194
00
J1 J1
2
1
DIODE
FIELD BOOST
FUEL
SOLENOID
0
14
0
0
0
0
0
819
820
817
818
819
209
210
5656
44
10kW = 357R
14kW = 768R
10kW
ONLY
13
N1
T1 N2
BEARING
BA
0
4
44
22
33
11
STATOR
J3
ACTUATOR
GOVERNOR
4
44
11
11
44
2 6
2
6
CLOSEST TO
44
33
11
4
11
44
2
6
00
22
T1A
T1A
SEE
C1
11
44
2
6
6
5
2
1
4
3
PIN #
C1
TABLE
FOR
PINOUT
0
4
11
44
2
6
0
4
11
44
2
6
6
5
2
1
4
3
PIN #
C1
0
4
11
44
2
6
0
4
11
44
2
6
0
4
TABLE FOR C1 WIRING OPTIONS
0
00
0
GROUND
+ BATT
TRANS SIG
0
CUSTOMER SUPPLIED
BATTERY
12V
+
-
0
BLACK
13
RED
GND NEUT
00
CB1
CUSTOMER CONNECT AREA
240V GENERATOR
OUTPUT TO TRANSFER
SWITCH CONTACTOR
44 11
820
817
818
1
2
3
4
LED BOARD
L1
L3
L2: YELLOW = MAINTENANCE REQ'D
L3: RED = ALARM
0
LEGEND
BA - BRUSH ASSEMBLY
CB1 - CIRCUIT BREAKER, MAIN OUTPUT
GND - GROUND
HTO - HIGH TEMPERATURE SWITCH
IM_ - IGNITON MODULE
SC - STARTER CONTACTOR
SCR - STARTER CONTROL RELAY
SM - STARTER MOTOR
SP_ - SPARK PLUG
- SPLICE
- DISCONNECT SPLICE
IC
0
44
22
33
11
23
194
COMMON
ALARM
00
WHT
0
0
0
00 0 0
0
L1: GREEN = SYSTEM READY
819
L2
820
817
818
819
209
210
22
33
194
209
210
23
0
0
0
LOP - LOW OIL PRESSURE SWITCH
MOV - VARISTOR
T1A MOV
WHT
11
44
18
SP2
IM2
0
85
HTO
18
0
12V
BATTERY
SCR
IM1
SP1
44
11
POWER
WINDING
33
22
WINDING
POWER
STATOR
56
820
817
818
819
ACTUATOR
J3
GOVERNOR
14
OUTPUT
GENERATOR
240 VAC
INPUT
UTILITY
240 VAC
GROUND
COMMON
1886
0
209
0
FS
11
44
CB1
210
0
CS
J5
PRINTED CIRCUIT BOARD
CONTROLLER
J4
18171615141312109 1186 7
CB1 - CIRCUIT BREAKER, MAIN OUTPUT
IM_ - IGNITION MODULE
HTO - HIGH TEMPERATURE SWITCH
FS - FUEL SOLENOID
LEGEND
SCR - STARTER CONTROL RELAY
SC - STARTER CONTACTOR
CS - CHOKE SOLENOID
SM - STARTER MOTOR
BA - BRUSH ASSEMBLY
SP_ - SPARK PLUG
TRANSFER
+ BATTERY
23
194
ALARM
21 43 5 2322212019
90
0 13
817
818
819
85
820
14
14
14
210
LOP
0
86
56 194
J1
J1
209 23
141312109 1186 721 43 5
N1
T1
00 2
N2
44
11
0
4
6
T1
N2
N1
T1
N2
N1
44
11
00
6
4
0
11
44
WINDING
EXCITATION
ROTOR
6
4
0
DIODE
FIELD BOOST
0
56
56
56
4
16
13
SCR
SM
SC
13 13
0
0
10kW = 357R
14kW = 768R
819
818
817
820
1
2
3
4
LED BOARD
L1
L2
L3
00
NEUTRAL
22
33
WHT
LOP - LOW OIL PRESSURE SWITCH
MOV - VARISTOR
MOV
T1A
120 VAC
0
BA
2
6
4
11 44
SEE TABLE FOR PINOUT
C1
0
2
6
4
11 44
0
2
6
4
6
4
3
5 2 1
PIN #
C1
0
2
6
4
11 44
1
11 44 2
6
6
4
3
5 2 1
2
6 11 44
1
11 44
PIN #
C1
0 4
0 4
TABLE FOR C1 WIRING OPTIONS
L2: YELLOW = MAINTENANCE REQ'D
L3: RED = ALARM
L1: GREEN = SYSTEM READY
Page 180
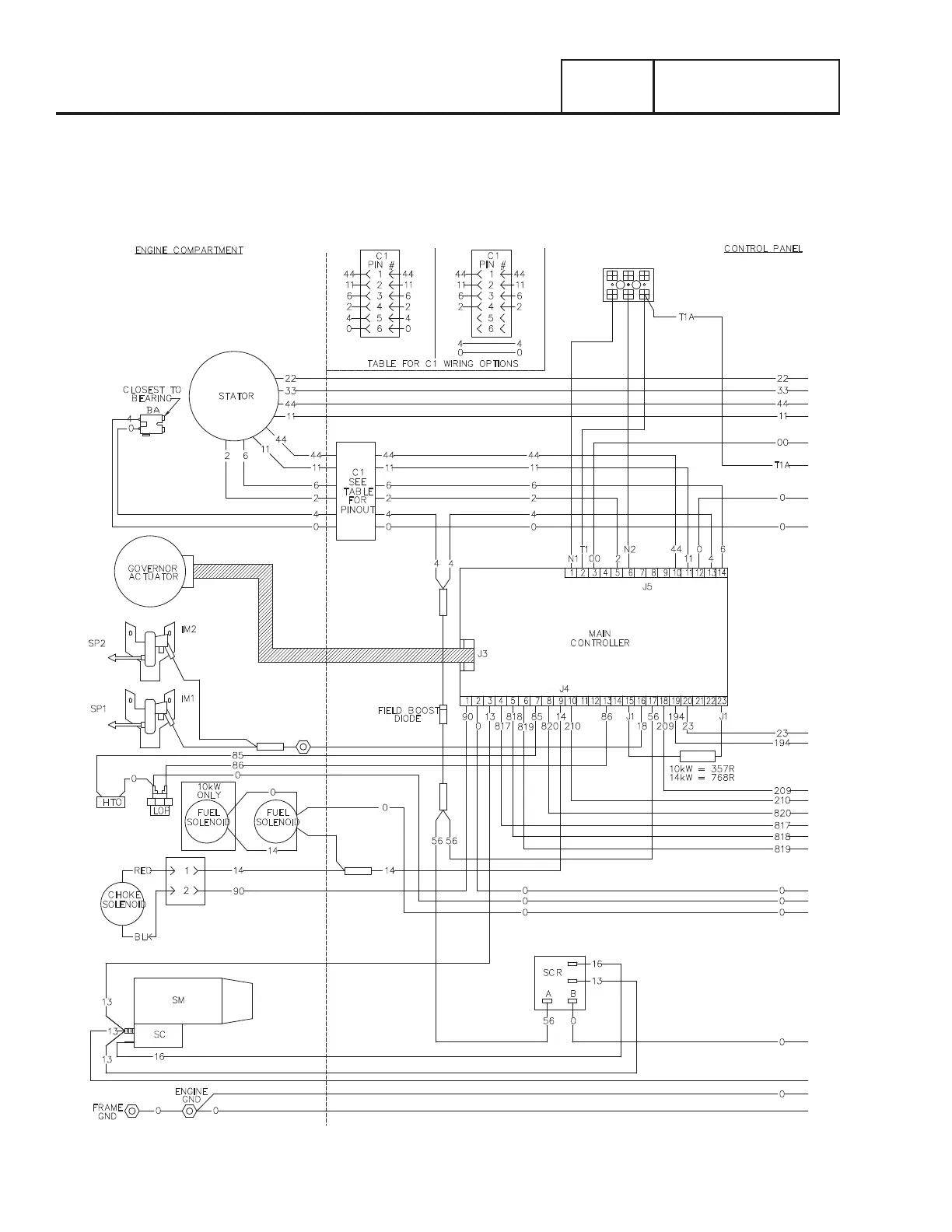
Electrical Schematic – Drawing 0H7358-B
ELECTRICAL DATA
PART 7

Table of Contents

Related product manuals