EasyManua.ls Logo

Generac Power Systems 14 kW LP

Generac Power Systems 14 kW LP
210 pages
To Next Page IconTo Next Page
To Next Page IconTo Next Page
To Previous Page IconTo Previous Page
To Previous Page IconTo Previous Page
Loading...
Section 7
HSB TRANSFER SWITCH
ELECTRICAL DATA
PART 7
Page 190
SW3
SW2
E2
CIRCUIT 13
VR2
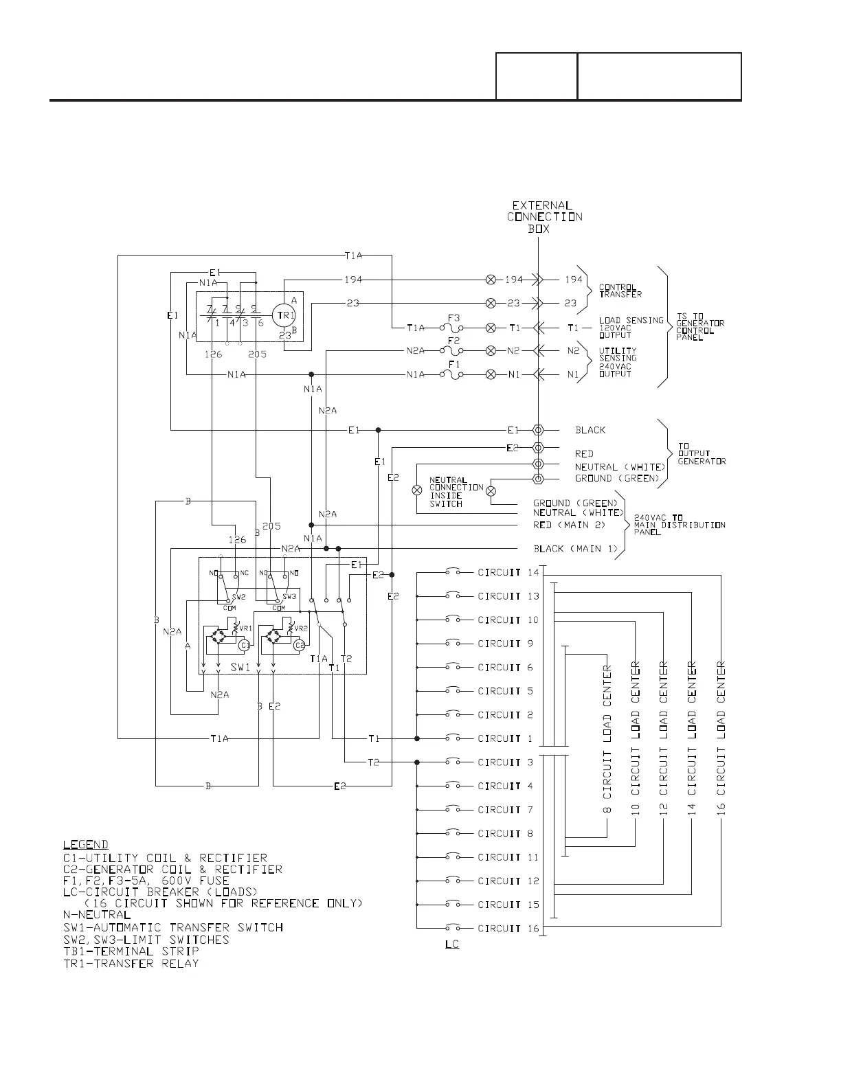
(16 CIRCUIT SHOWN FOR REFERENCE ONLY)
TR1-TRANSFER RELAY
SW2,SW3-LIMIT SWITCHES
TB1-TERMINAL STRIP
SW1-AUTOMATIC TRANSFER SWITCH
N-NEUTRAL
F1,F2,F3-5A, 600V FUSE
C1-UTILITY COIL & RECTIFIER
C2-GENERATOR COIL & RECTIFIER
LC-CIRCUIT BREAKER (LOADS)
LEGEND
B
N2A
B
T1A
N2A
B E2
SW1
A
COM
C1
VR1
COM
CIRCUIT 15
LC
CIRCUIT 16
E2
T2
CIRCUIT 12
CIRCUIT 8
CIRCUIT 11
CIRCUIT 7
CIRCUIT 3
CIRCUIT 4
T1
T1A
C2
T1
T2
CIRCUIT 2
CIRCUIT 1
CIRCUIT 5
CIRCUIT 9
CIRCUIT 6
CIRCUIT 10
14 CIRCUIT LOAD CENTER
12 CIRCUIT LOAD CENTER
10 CIRCUIT LOAD CENTER
8 CIRCUIT LOAD CENTER
16 CIRCUIT LOAD CENTER
NO
N2A
A
B
126
NO NCNC
205
B
B
E1
N1A
126
N1A
77
1 4
205
23
99
3 6
TR1
N1A
E1
CONTROL
BLACK (MAIN 1)
RED (MAIN 2)
NEUTRAL (WHITE)
GROUND (GREEN)
E1
N1A
E2
N2A
E1
E2
CIRCUIT 14
CONNECTION
NEUTRAL
SWITCH
INSIDE
E2
T1A
N2A
N1A
E1
N2A
N1A
23
F1
E1
N1
F2
F3
T1
N2
23
240VAC TO
PANEL
MAIN DISTRIBUTION
NEUTRAL (WHITE)
GROUND (GREEN)
RED
GENERATOR
TO
OUTPUT
UTILITY
OUTPUT
BLACK
N1
T1
N2
23
240VAC
SENSING
TRANSFER
GENERATOR
PANEL
CONTROL
TS TO
BOX
EXTERNAL
CONNECTION
194
T1A
194
194
120VAC
OUTPUT
LOAD SENSING
Electrical Schematic – Drawing 0H6386-B

Table of Contents

Related product manuals