EasyManua.ls Logo

Generac Power Systems 14 kW LP

Generac Power Systems 14 kW LP
210 pages
To Next Page IconTo Next Page
To Next Page IconTo Next Page
To Previous Page IconTo Previous Page
To Previous Page IconTo Previous Page
Loading...
Section 7
HSB TRANSFER SWITCH
16 CIRCUIT LOAD CENTER
CIRCUIT 12
8 CIRCUIT LOAD CENTER
14 CIRCUIT LOAD CENTER
12 CIRCUIT LOAD CENTER
10 CIRCUIT LOAD CENTER
CIRCUIT 7
CIRCUIT 5
CIRCUIT 3
CIRCUIT 1
CIRCUIT 13
CIRCUIT 15
CIRCUIT 11
CIRCUIT 9
CIRCUIT 16
CIRCUIT 14
CIRCUIT 4
CIRCUIT 2
CIRCUIT 6
CIRCUIT 10
CIRCUIT 8
CIRCUIT BREAKER
240VAC TO MAIN
DISTRIBUTION
TO GENERATOR
PANEL
GRD
NEUTRAL
MAIN 2
MAIN 1
OUTPUT
ALL CIRCUIT
NEUTRAL
CONDUCTORS NOT
SHOWN FOR
CLARITY
WHT
N
WHT
WHT
LC
A
B
GRN
GRN
BLK
BLK
WHT
RED
WHT
RED
WHT
BLK
RED
BLK
RED
BLK
RED
N-NEUTRAL
TR1-TRANSFER RELAY
SW2,SW3-LIMIT SWITCHES
TB1-TERMINAL STRIP
F1,F2,F3-5A, 600V FUSE
C1-UTILITY COIL & RECTIFIER
C2-GENERATOR COIL & RECTIFIER
SW1-AUTOMATIC TRANSFER SWITCH
(16 CIRCUIT SHOWN FOR REFERENCE ONLY)
LC-CIRCUIT BREAKER (LOADS)
TO GENERATOR
CONTROL PANEL
N1A
N2A
205
F3
TB1
F1 F2
N2
N1
N2
N1
B BB
N1A
A A A
N2A
N1A
BLK
RED
23
23
194
T1
194
LEGEND
E1
23
N1A
N2A
A
194
B
N1A
BLK
RED
N2A
RED
E1 BLK
GRN
GRN
BLK
RED
126
RED
BLK
TR1
4
7
1
6
9
3
T1A
RED
BLK
RED
E1
205
BLK
E2
205
B
1
C2
2
SW1
205
E2E1
E1
B
T1
E2
T2
SW3
SW2
N1 N2
N2A
126
N2A
1 2
C1
126
N1A
A
A
N2A
RED
BLK
T1
T1A
EXTERNAL
CONNECTION
BOX
CONNECTION
BOX
EXTERNAL
RED
WHT
BLK
GRN
0D4698-T
Page 189
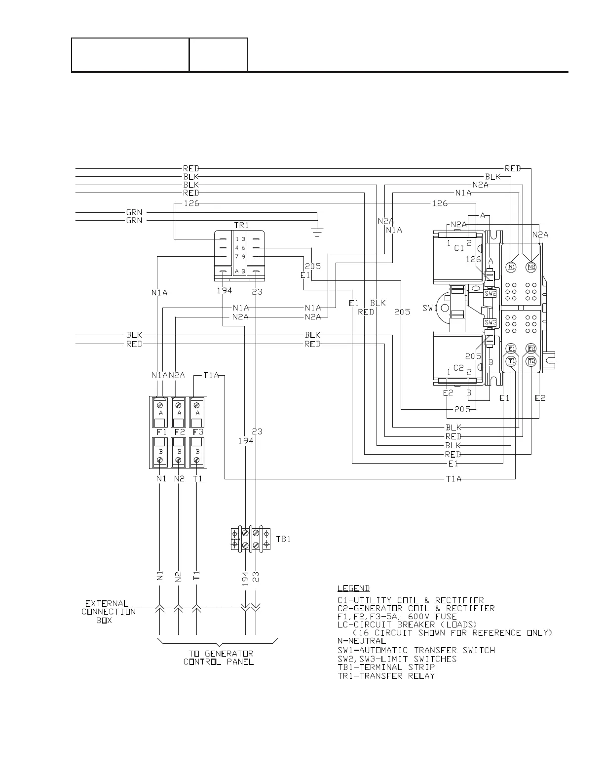
Electrical Schematic – Drawing 0H6385-A
ELECTRICAL DATA
PART 7

Table of Contents

Related product manuals