EasyManua.ls Logo

Generac Power Systems 14 kW LP

Generac Power Systems 14 kW LP
210 pages
To Next Page IconTo Next Page
To Next Page IconTo Next Page
To Previous Page IconTo Previous Page
To Previous Page IconTo Previous Page
Loading...
Section 7
17KW 2010 AIR-COOLED HSB
BEARING
BA
0
4
44
22
33
11
STATOR
ENGINE COMPARTMENT
CONTROL PANEL
1 52 3 4 76 8 119 10 12 13 14 15 16 17 18
J3
J4
MAIN
CONTROLLER
SP1
IM1
SP2
IM2
HTO
LOP
0
CHOKE
SOLENOID
RED
BLK
ACTUATOR
GOVERNOR
SC
SM
FRAME
GND
0
ENGINE
GND
0
13
0
14
56
A
0
B
SCR
16
13
16
0
23
13
14
90
FUEL
SOLENOID
1 52 3 4 76 8 119 10 12 13 14
J5
19 20 21 22 23
23
194
209
56
18
86
210
14
820
85
819
818
817
13
0
90
6
4
0
11
44N2
2N1
0
86
85
0
0
14
0
194
4
44
11
11
44
2 6
2
6
CLOSEST TO
44
33
11
0
4
11
44
2
6
00
00
J1 J1
2
1
DIODE
FIELD BOOST
0
0
0
0
0
5656
44
820
817
818
819
209
210
1K24
13
22
T1A
T1
T1A
SEE
C1
11
44
2
6
6
5
2
1
4
3
PIN #
C1
TABLE
FOR
PINOUT
0
4
11
44
2
6
0
4
11
44
2
6
6
5
2
1
4
3
PIN #
C1
0
4
11
44
2
6
0
4
11
44
2
6
0
4
TABLE FOR C1 WIRING OPTIONS
0
0
GROUND
+ BATT
TRANS SIG
0
194
CUSTOMER SUPPLIED
BATTERY
12V
+
-
0
BLACK
13
RED
0
NEUT
22
33
CB1
WHITE
HOT
3
HOT
1
WHITE
0
5
4
2
DUPLEX
120V/15A
11C
00
CUSTOMER CONNECT AREA
240V GENERATOR
OUTPUT TO TRANSFER
SWITCH CONTACTOR
44 11
11C
11
0
00
820
817
818
819
WHT
1
2
3
4
LED BOARD
L1
L2
L3
L1: GREEN = SYSTEM READY
L2: YELLOW = MAINTENANCE REQ'D
L3: RED = ALARM
LEGEND
BA - BRUSH ASSEMBLY
CB1 - CIRCUIT BREAKER, MAIN OUTPUT
GND - GROUND
HTO - HIGH TEMPERATURE SWITCH
IM_ - IGNITON MODULE
LOP - LOW OIL PRESSURE SWITCH
SC - STARTER CONTACTOR
SCR - STARTER CONTROL RELAY
SM - STARTER MOTOR
SP_ - SPARK PLUG
- SPLICE
- DISCONNECT SPLICE
11
44
22
33
11
T1A
23
820
817
818
819
194
209
210
209
210
COMMON
ALARM
00
00
GND
0 0 00 0
0
0
0
0
0
0
0
0
0
23
CB2
CB2 - CIRCUIT BREAKER, GFCI
11
44
MOV
MOV - VARISTOR
WHT
00
18
SP2
IM2
0
85
HTO
18
0
12V
BATTERY
SCR
IM1
SP1
44
11
POWER
WINDING
33
22
WINDING
POWER
56
0
0
00
00
11C
820
817
818
819
ACTUATOR
J3
GOVERNOR
14
OUTPUT
GENERATOR
240 VAC
NEUTRAL
INPUT
UTILITY
240 VAC
GROUND
COMMON
1886
0
209
0
FS
22
33
CB1
210
0
CS
J5
PRINTED CIRCUIT BOARD
CONTROLLER
J4
18171615141312109 1186 7
POWER
ACCESSORY
120 VAC
OUTPUT
CB2
TRANSFER
+ BATTERY
23
194
ALARM
21 43 5 2322212019
90
0 13
817
818
819
85
820
14
14
14
210
LOP
0
86
56 194
J1
J1
209 23
141312109 1186 721 43 5
N1
T1
00 2
N2
44
11
0
4
6
T1
N2
N1
T1
N2
N1
44
11
00
6
4
0
11
44
6
4
0
DIODE
FIELD BOOST
0
56
56
56
4
16
13
SCR
SM
SC
13 13
0
0
1K24
819
818
817
820
1
2
3
4
LED BOARD
L1
L2
L3
CB1 - CIRCUIT BREAKER, MAIN OUTPUT
IM_ - IGNITION MODULE
HTO - HIGH TEMPERATURE SWITCH
FS - FUEL SOLENOID
LEGEND
SCR - STARTER CONTROL RELAY
SC - STARTER CONTACTOR
CS - CHOKE SOLENOID
LOP - LOW OIL PRESSURE SWITCH
SM - STARTER MOTOR
BA - BRUSH ASSEMBLY
SP_ - SPARK PLUG
CB2 - CIRCUIT BREAKER, GFCI
LOAD SUPPLY
120 VAC
11
A
B
WHT00
MOV - VARISTOR
MOV
T1A
0
BA
2
STATOR
6
4
11 44
SEE TABLE FOR PINOUT
C1
WINDING
EXCITATION
ROTOR
0
2
6
4
11 44
0
2
6
4
6
4
3
5 2 1
PIN #
C1
0
2
6
4
11 44
1
11 44 2
6
6
4
3
5 2 1
2
6 11 44
1
11 44
PIN #
C1
0 4
0 4
TABLE FOR C1 WIRING OPTIONS
L1: GREEN = SYSTEM READY
L2: YELLOW = MAINTENANCE REQ'D
L3: RED = ALARM
Page 182
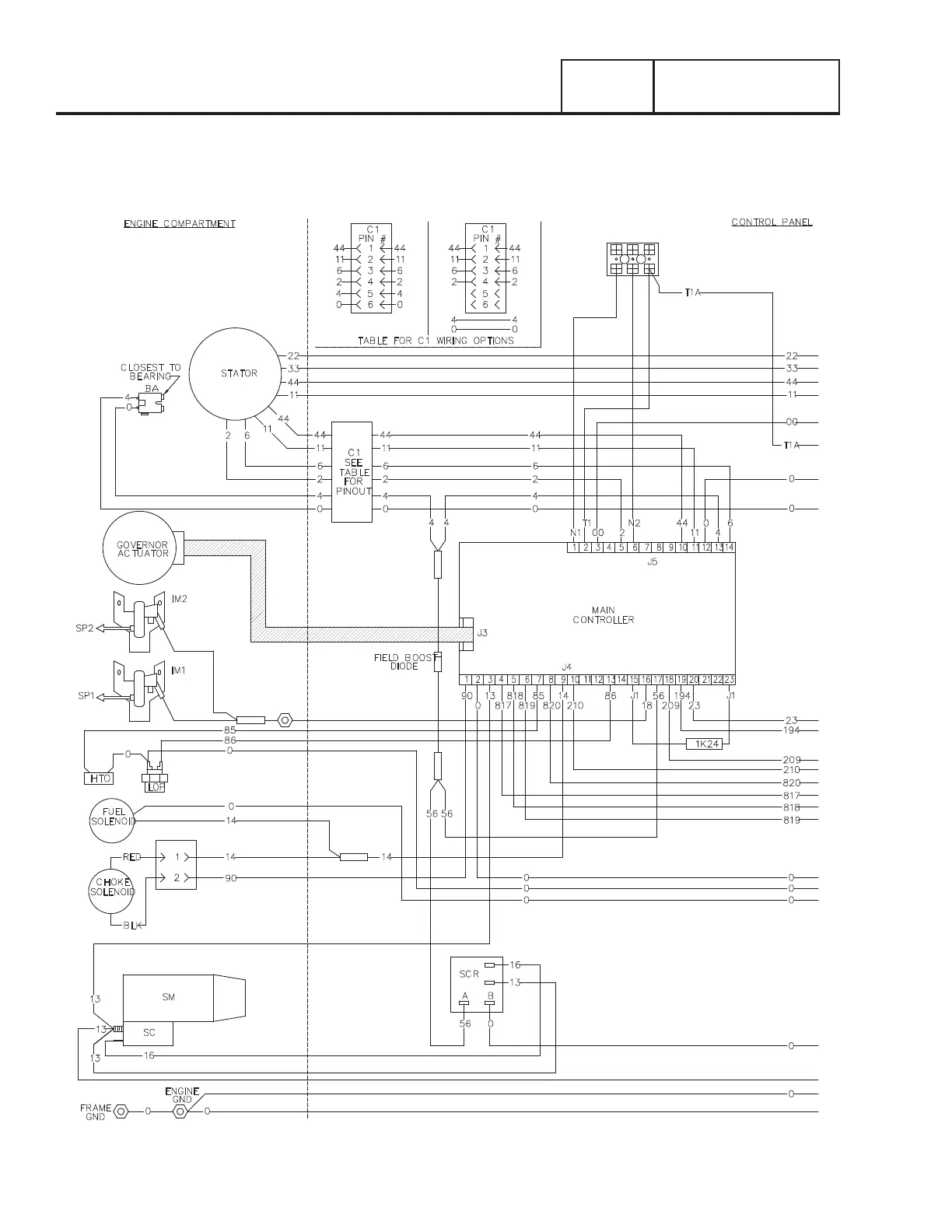
Electrical Schematic – Drawing 0H6198-C
ELECTRICAL DATA
PART 7

Table of Contents

Related product manuals