EasyManua.ls Logo

Generac Power Systems PowerPact G0065201 - Page 100

Generac Power Systems PowerPact G0065201
208 pages
Print Icon
To Next Page IconTo Next Page
To Next Page IconTo Next Page
To Previous Page IconTo Previous Page
To Previous Page IconTo Previous Page
Loading...
Diagramas
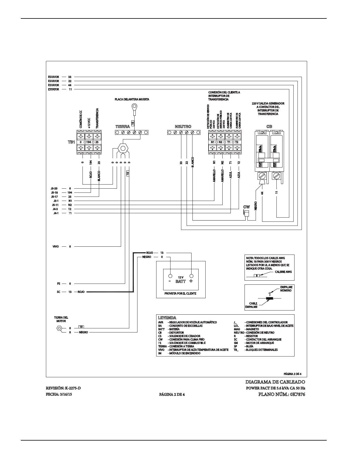
44 Directrices de instalación para PowerPact™ de 50 Hz
Plano 0K7876 Rev. D página 2
- CONTACTOR DEL ARRANQUE
FS - SOLENOIDE DE COMBUSTIBLE
SC
SM
SP
TB_- INTERRUPTOR DE ALTA TEMPERATURA DE ACEITE
- MÓDULO DE ENCENDIDO
- CONEXN A TIERRA
IM
VIVO
TIERRA
PÁGINA 2 DE 4
- MOTOR DE ARRANQUE
- BUJÍA
- BLOQUES DE TERMINALES
NEGRO
13SC ROJO
0
0 NEGRO
FS 0
VIVO 0
J4-1 T1
J5-11
J4-3
J5-1
N2
T2
N1
ROJO
J5-20
J5-18
J5-17
194
0
23
194
0
BLANCO
0
23
0
0
0
0
LOL
NEUTRO
MAG
J_
PROVISTA POR EL CLIENTE
LEYENDA
- DISYUNTOR
- SOLENOIDE DE CEBADOR
- CONJUNTO DE ESCOBILLAS
- REGULADOR DE VOLTAJE AUTOMÁTICO
CB
BATT
CS
BA
AVR
- BATERÍA
R
+
BATT
-
12 V
0
ROJO 13
1
- CONEXIONES DEL CONTROLADOR
- INTERRUPTOR DE BAJO NIVEL DE ACEITE
- CONEXN DE NEUTRO
- MAGNETO
- RESISTOR
CABLE
EMPALME
NOTA: TODOS LOS CABLES AWG
NÚM. 18 PARA 300 V NEGROS
LISTADOS POR UL A MENOS QUE SE
INDIQUE OTRA COSA.
CALIBRE AWG
EMPALME
NÚMERO
T2AZUL
22
33
AMARILLO
AMARILLO
AZUL
N1
T1
N2
44
11
PLACA DELANTERA MUERTA
ESTATOR
ESTATOR
ESTATOR
ESTATOR
TRANSFERENCIA
23
TB1
0 194
+12 VCC
COMÚN DE CC
TIERRA
22
44
11
33
CONEXN DEL CLIENTE A
INTERRUPTOR DE
TRANSFERENCIA
T2
NEUTRO
N1 N2 T1
DETECCIÓN DE SERVICIO
PÚBLICO
220 VCA
DETECCIÓN DE
SERVICIO PÚBLICO
220 VCA
SUMINISTRO DE
CARGA 220 VCA
CB
BLANCO
NEGRO
CW
- CONEXN PARA CLIMA FRÍOCW
TIERRA DEL
MOTOR
SUMINISTRO DE
CARGA 220 VCA
220 V SALIDA GENERADOR
A CONTACTOR DEL
INTERRUPTOR DE
TRANSFERENCIA
PÁGINA 2 DE 4
10
10
8
10
DIAGRAMA DE CABLEADO
POWER PACT DE 5.6 kVA CA 50 Hz
PLANO NÚM.: 0K7876
REVISIÓN: K-2275-D
FECHA: 3/16/15
001203

Table of Contents

Related product manuals