EasyManua.ls Logo

Generac Power Systems PowerPact G0065201 - Page 205

Generac Power Systems PowerPact G0065201
208 pages
Print Icon
To Next Page IconTo Next Page
To Next Page IconTo Next Page
To Previous Page IconTo Previous Page
To Previous Page IconTo Previous Page
Loading...
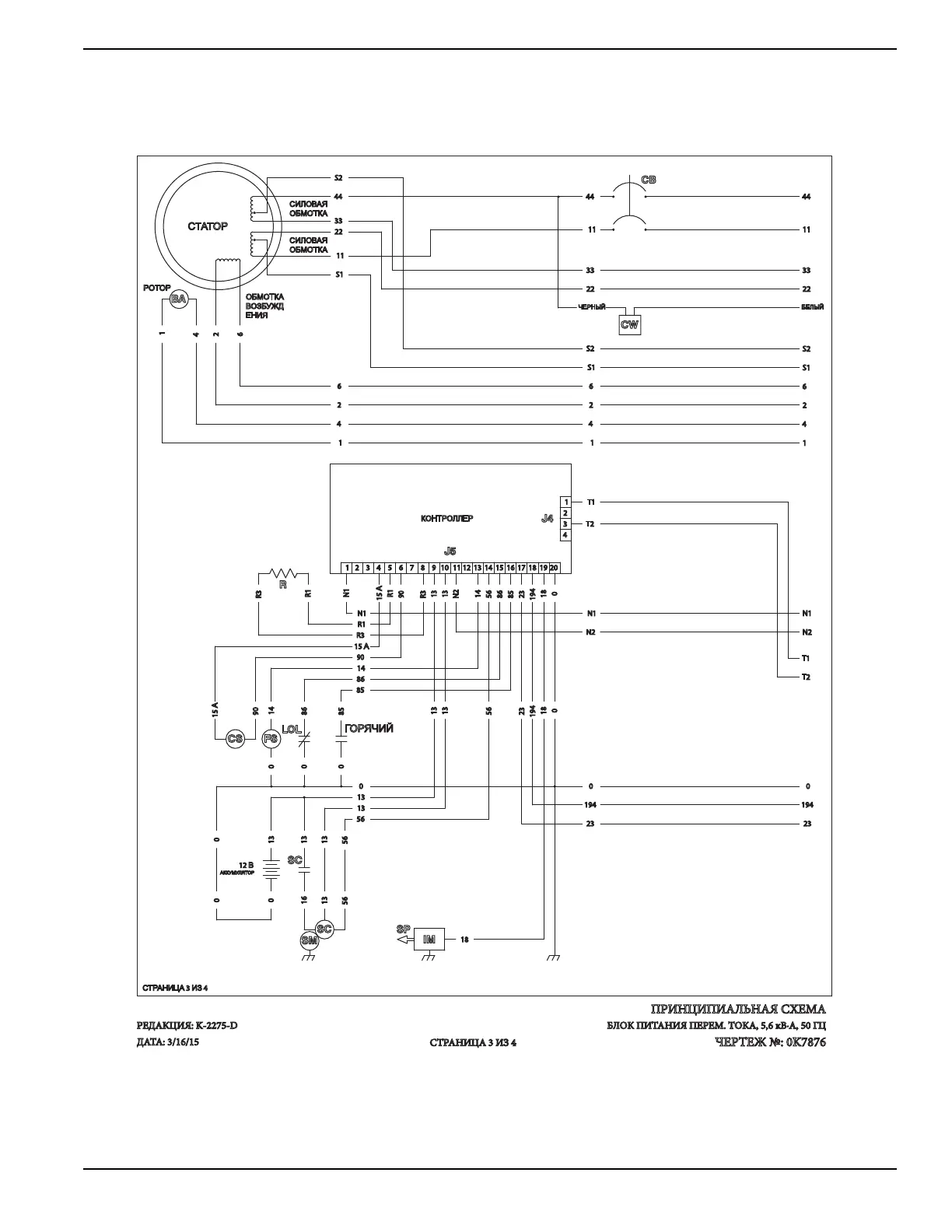
Схемы
Руководство по установке системы PowerPact™ мощностью 50 Гц 45
Чертеж 0K7876, ред. D, стр. 3
SC
ɋɌɊȺɇɂɐȺ 3 ɂɁ 4
0
SM
0
16
56
13
SP
IM
18
15Ⱥ
ȽɈɊəɑɂɃ
12ȼ
ȺɄɄɍɆɍɅəɌɈɊ
0
SC
13
13
86
14
15Ⱥ
90
CS FS
0
0
LOL
56
13
56
13
13
0
13
13
850
86
85
90
14
18
194
23
56
0
R
R3
R1
3
J4
J5
10
13
N1
R1
R3
N1
15Ⱥ
R1
90
13
R3
1 3 42 6 75 98
85
14
N2
86
56
23
194
0
18
16131211 1514 1817 19 20
4
ɄɈɇɌɊɈɅɅȿɊ
1
2
4
1
2
194
23
0
194
23
0
T2
T1
T2
N1
N2
N1
N2
T1
1
2
4
1
2
4
ɋɂɅɈȼȺə
ɈȻɆɈɌɄȺ
4
1
BA
ɊɈɌɈɊ
6
2
ɈȻɆɈɌɄȺ
ȼɈɁȻɍɀȾ
ȿɇɂə
ɋɌȺɌɈɊ
S1
6
11
33
22
S2
44
33
33
S1
6
S2
22
S1
6
S2
22
11
44
CB
11
44
ȻȿɅɕɃ
ɑȿɊɇɕɃ
CW
ɋɂɅɈȼȺə
ɈȻɆɈɌɄȺ
СТРАНИЦА 3 ИЗ 4
ПРИНЦИПИАЛЬНАЯ СХЕМА
БЛОК ПИТАНИЯ ПЕРЕМ. ТОКА, 5,6кВ·А, 50ГЦ
ЧЕРТЕЖ №: 0K7876
РЕДАКЦИЯ: K-2275-D
ДАТА: 3/16/15
001204

Table of Contents

Related product manuals