EasyManua.ls Logo

General Monitors TA402A - Page 40

Default Icon
51 pages
Print Icon
To Next Page IconTo Next Page
To Next Page IconTo Next Page
To Previous Page IconTo Previous Page
To Previous Page IconTo Previous Page
Loading...
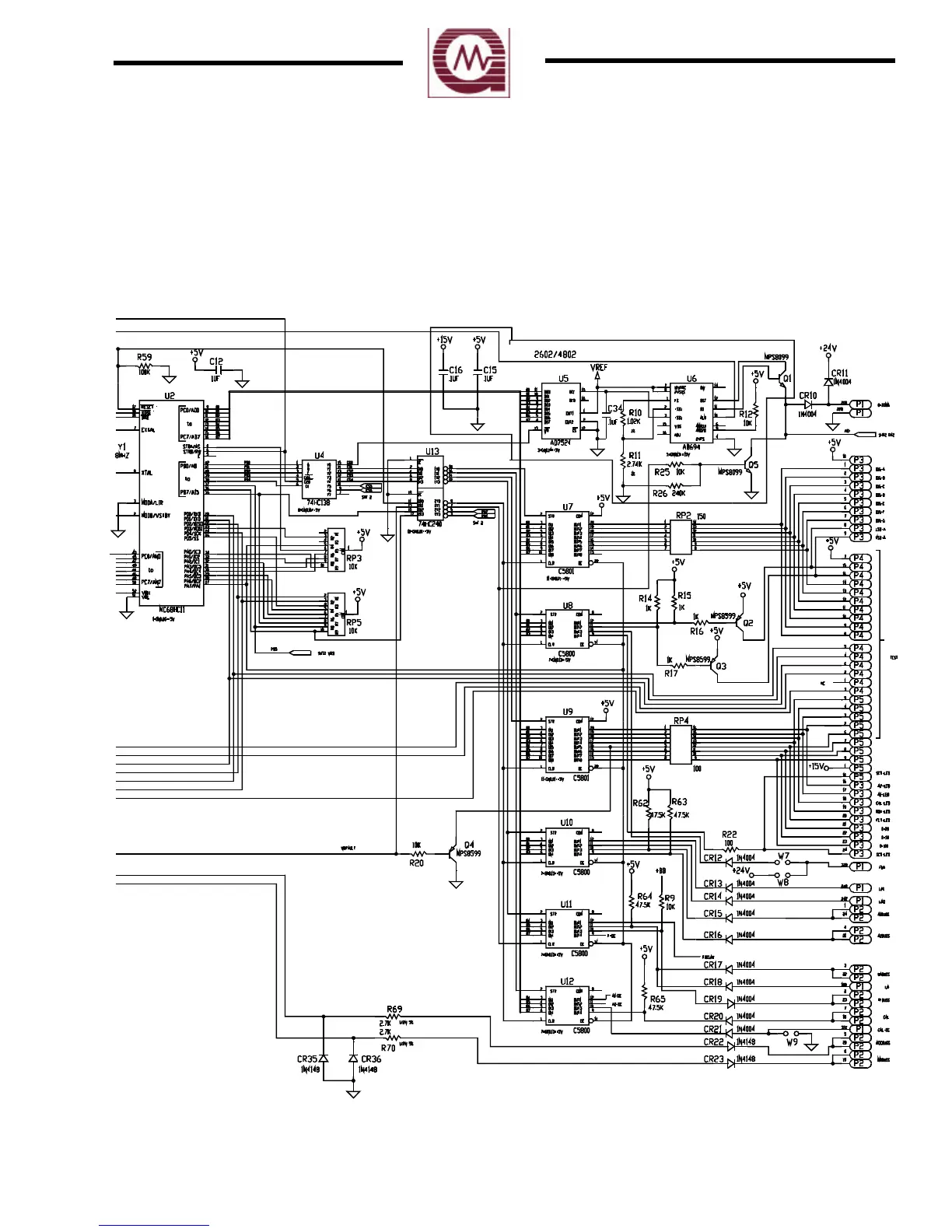
En gi neering & Tech ni cal Draw ings
(
Con tinued
)
Reference Drawing # 11145-1
Sche matic Di a gram - Con trol Elec tron ics
34
Model TA402A
Appendix B
Fig ure 35
Right Side

Table of Contents

Related product manuals