EasyManua.ls Logo

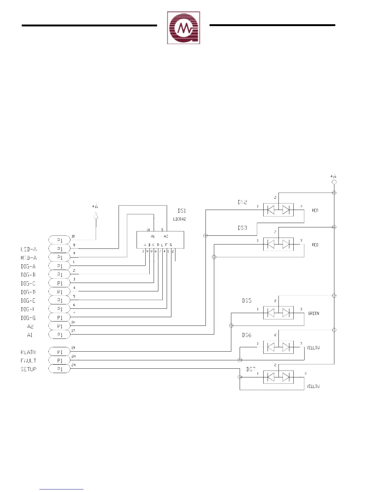
General Monitors TA402A - Figure 36 Schematic Diagram - Display Board

Default Icon
51 pages
Print Icon
To Next Page IconTo Next Page
To Next Page IconTo Next Page
To Previous Page IconTo Previous Page
To Previous Page IconTo Previous Page
Loading...
En gi neering & Tech ni cal Draw ings
(
con tin ued
)
Reference Drawing # 11150-2
Sche matic Di a gram - Dis play Elec tron ics
35
Appendix B
General Monitors
Fig ure 36

Table of Contents

Related product manuals