EasyManua.ls Logo

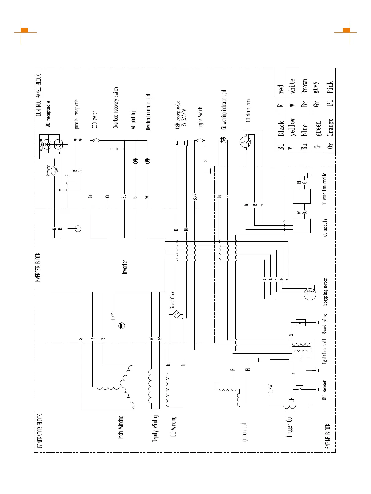
GENMAX GM3200i - Circuit Diagram

Default Icon
31 pages
Print Icon
To Next Page IconTo Next Page
To Next Page IconTo Next Page
To Previous Page IconTo Previous Page
To Previous Page IconTo Previous Page
Loading...
26
CIRCUIT DIAGRAM
GM2200i SCHEMATICS

Related product manuals