EasyManua.ls Logo

GF ER 52-1 - Anschlusschaltbilder

GF ER 52-1
Print Icon
To Next Page IconTo Next Page
To Next Page IconTo Next Page
To Previous Page IconTo Previous Page
To Previous Page IconTo Previous Page
Loading...
Elektrische Anschlüsse Bedienungsanleitung
14
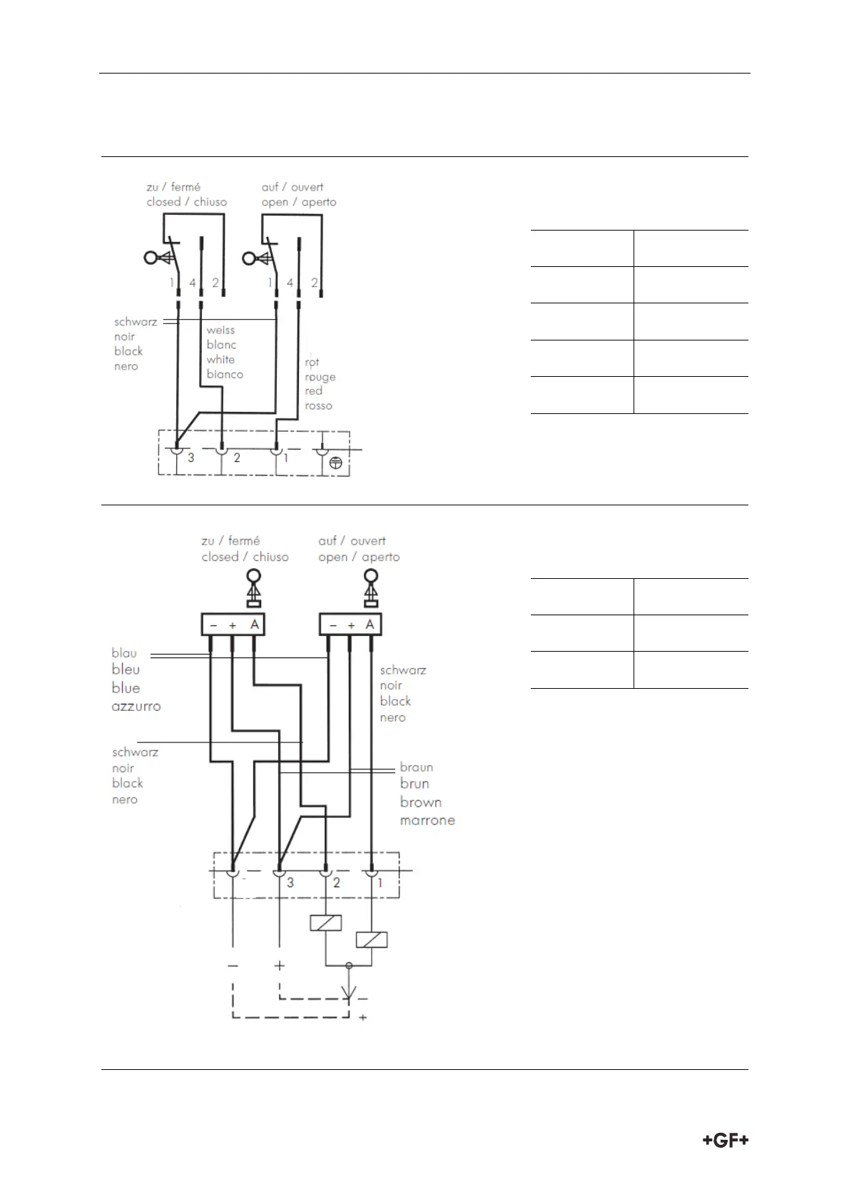
6.2 Anschlusschaltbilder
Typ Code
ER 52-1 199 190 305
ER 52-2 199 190 306
ER 53-1 199 190 293
ER 53-2 199 190 297
Typ Code
ER 52-3 199 190 307
ER 52-4 199 190 308

Table of Contents