EasyManua.ls Logo

Glen Dimplex LSA 60TUR - Einbindungsschemen; Integration Diagrams; Schémas Dintégration

Glen Dimplex LSA 60TUR
Print Icon
To Next Page IconTo Next Page
To Next Page IconTo Next Page
To Previous Page IconTo Previous Page
To Previous Page IconTo Previous Page
Loading...
www.glendimplex.de 452167.66.02 · FD 9509 A-VII
Anhang · Appendix · Annexes
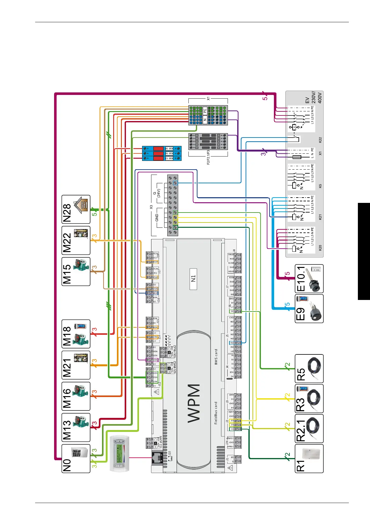
LSA 60TUR
3 Einbindungsschemen / Integration diagrams /
Schémas d’intégration
3.1 Elektroschema / Electrical circuit diagram / Schéma électrique

Table of Contents