EasyManua.ls Logo

golmar Plus Nexa - Page 28

golmar Plus Nexa
40 pages
Print Icon
To Next Page IconTo Next Page
To Next Page IconTo Next Page
To Previous Page IconTo Previous Page
To Previous Page IconTo Previous Page
Loading...
99
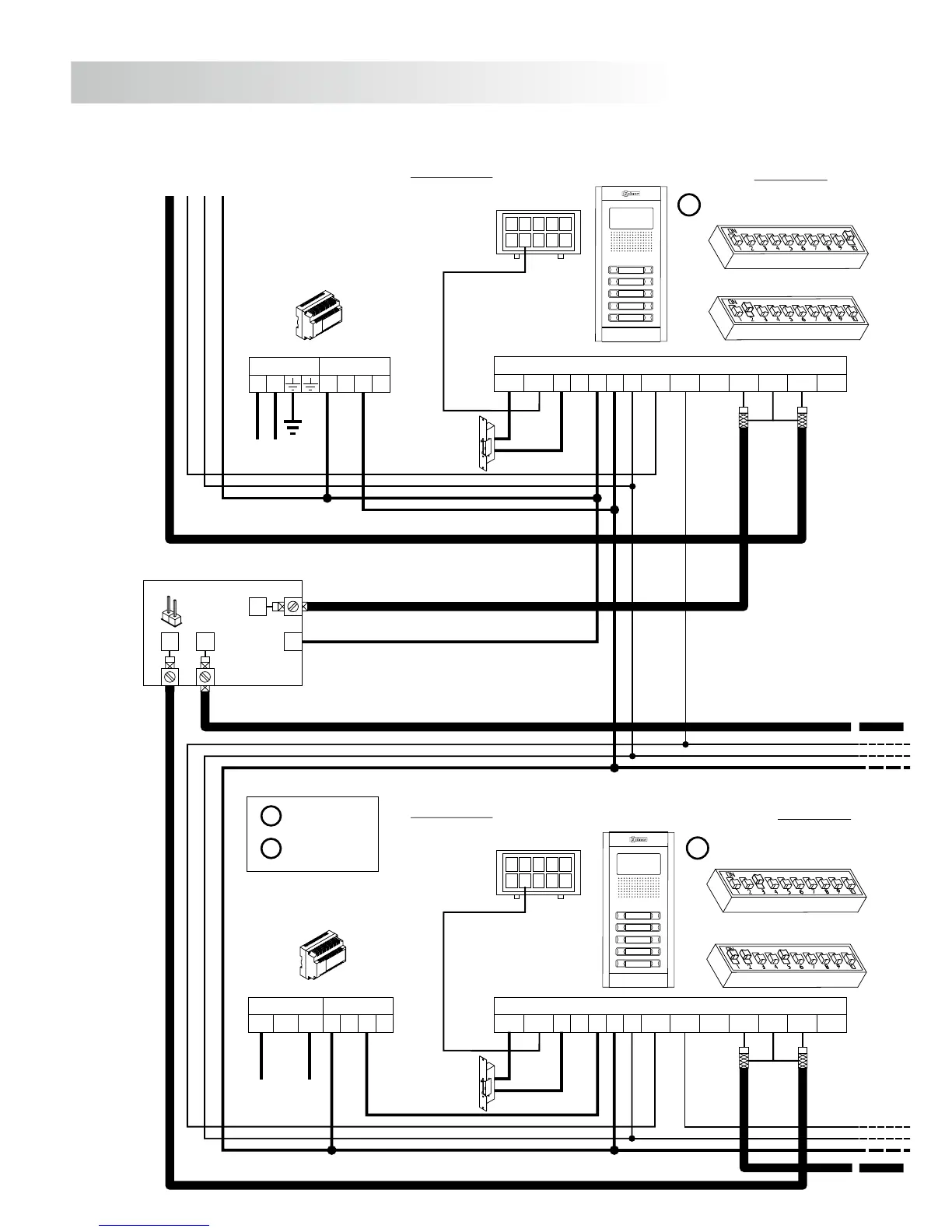
To monitors
Main
Inner door panel
Main
General door panel
EL500 mode
BACKBONE 1
INSTALLATION DIAGRAMS
M =Master.
S =Slave.
BACKBONE 0
E S +
S1
D4L-PLUS
JP1
FA-Plus o FA-Plus/C
SEC
PRI
~~
+ +
--
FA-Plus/C
SEC
PRI
230
--
110 0
+ +
M
D
Malla
Vin-AinAout Vin+ Vout-Vout+
CN1
+
-
+CV1CV2
-
D
Malla
Vin-AinAout Vin+ Vout-Vout+
CN1
+
-
+CV1CV2
-
Lock release
Vd.c.
Lock release
Vd.c.
10
1
9
2
8
3
7
4
6
5
CN3
10
1
9
2
8
3
7
4
6
5
CN3
S
SW2
SW1
SW2
SW1
EL501 mode
100
To monitors
Continues
in the following page
Main
EL501 mode
Main
General door panel
EL500 mode
BACKBONE 2
Inner door panel
GENERAL DOOR PANEL
BACKBONE 0
E S +
S1
D4L-PLUS
JP1
SEC
PRI
~~
+ +
--
FA-Plus o FA-Plus/C
FA-Plus/C
SEC
PRI
230
--
110 0
+ +
M
D
Malla
Vin-AinAout Vin+ Vout-Vout+
CN1
+
-
+CV1CV2
-
D
Malla
Vin-AinAout Vin+ Vout-Vout+
CN1
+
-
+CV1CV2
-
Lock release
Vd.c.
Lock release
Vd.c.
10
1
9
2
8
3
7
4
6
5
CN3
10
1
9
2
8
3
7
4
6
5
CN3
SW1
SW2
S
SW1
SW2

Related product manuals