EasyManua.ls Logo

Goodman GPC13H - Page 33

Goodman GPC13H
36 pages
Print Icon
To Next Page IconTo Next Page
To Next Page IconTo Next Page
To Previous Page IconTo Previous Page
To Previous Page IconTo Previous Page
Loading...
PRoDUcT SPeciFicATionS
PRoDUcT SPeciFicATionS
SS-GPC13H www.goodmanmfg.com 33
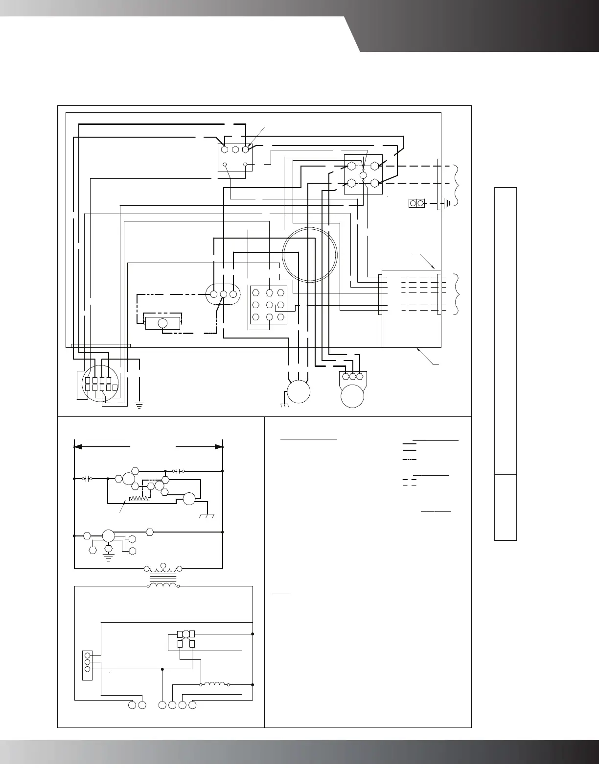
wiRing DiAgRAm — gPc1360h41Bc
Wiringissubject tochange.Always
refer to the wiring diagram or the
unitforthemostup-to-datewiring.
⚠ WarninG
High Voltage: Disconnect all power before servicing or installing this unit. Multiple power
sourcesmaybepresent.Failuretodosomaycausepropertydamage,personalinjury,ordeath.
⚔
ļ€ļ€‚ļ€ƒļ€„ļ€ļ€…ļ€†ļ€‡ļ€ˆļ€‰ļ€ˆļ€Šļ€‹ļ€†ļ€Œļ€ˆļ€‚ļ€‹ļ€‰ļ€‚ļ€
ļ€ļ€‚ļ€ƒļ€„ļ€…ļ€†ļ€‡ļ€ˆļ€‰ļ€Šļ€ˆļ€‹ļ€Œ
ļ€„ļ€ļ€Žļ€…ļ€†ļ€†ļ€„ļ€†ļ€ļ€„ļ€ļ€ļ€‘ļ€’ļ€ļ€“
ļ€ļ€”ļ€ļ€†ļ€•ļ€ļ€…ļ€†ļ€†ļ€•ļ€†ļ€–ļ€„ļ€–ļ€–ļ€„ļ€
ļ€Œļ€Žļ€†ļ€Šļ€Žļ€ļ€†ļ€ļ€‘ļ€‚ļ€ļ€„ļ€†ļ€Œļ€‰ļ€‚ļ€‡ļ€ˆļ€Šļ€‹


ļ€ļ€„ļ€—
THE GOODMAN FAMILY OF
COMPANIES
ļ€˜ļ€™ļ€šļ€†ļ€•ļ€ļ€…ļ€†ļ€›ļ€œļ€˜ļ€™ļ€‚ļ€„ļ€’ļ€†ļ€’ļ€‚ļ€ļ€ļ€œļ€ļ€Ž


ļ€ƒ




ļ€ˆļ€‰ļ€Šļ€‹ļ€Œļ€ļ€Žļ€ļ€ļ€‘ļ€’
ļ€ˆļ€‰ļ€Šļ€‹ļ€Œļ€ļ€Žļ€ļ€ļ€‘ļ€’


ļ€ƒ




ļ€“ļ€™ļ€ƒļ€†ļ€‰ļ€†ļ€‘ļ€ļ€†ļ€ž
Ā®
ļ€ļ€„ļ€— ļ€Ÿļ€‘ļ€ļ€„ ļ€ļ€„ļ€“ļ€˜ļ€ļ€œļ€–ļ€ƒļ€œļ€‘ļ€
ļ€ļ€‚ļ€ƒļ€„ļ€ļ€
ļ€„ļ€
ļ€–ļ€˜ļ€
ļ€˜ļ€™ļ€š
ļ€“ļ€˜
ļ€˜ļ€˜
ļ€‘ļ€Žļ€Šļ€–ļ€ˆļ€Œļ€„ļ€Šļ€ļ€ˆļ€‚ļ€ļ€†ļ€—ļ€‰ļ€Žļ€—ļ€„ļ€‰ļ€ļ€˜ļ€†ļ€Žļ€–ļ€†ļ€ļ€™ļ€„ļ€†ļ€‹ļ€Žļ€Žļ€Œļ€ļ€‚ļ€Šļ€†ļ€–ļ€‚ļ€ļ€ˆļ€ļ€˜ļ€†ļ€Žļ€–ļ€†ļ€‘ļ€Žļ€ļ€—ļ€‚ļ€Šļ€ˆļ€„ļ€
ļ€ļ€‘ļ€ƒļ€†ļ€ƒļ€‘ļ€†ļ€•ļ€„ļ€†ļ€ļ€œļ€“ļ€˜ļ€’ļ€‘ļ€“ļ€„ļ€ļ€†ļ€ƒļ€‘ļ€†ļ€‘ļ€ƒļ€™ļ€„ļ€ļ€“ļ€ ļ€†ļ€˜ļ€‘ļ€–ļ€œļ€„ļ€ļ€ ļ€†ļ€‘ļ€ļ€†ļ€”ļ€“ļ€„ļ€ļ€†ļ€ļ€‘ļ€ļ€†ļ€‚ļ€ļ€ļ€†ļ€–ļ€”ļ€ļ€–ļ€‘ļ€“ļ€„ļ€†ļ€„ļ€¢ļ€˜ļ€„ļ€–ļ€ƒļ€†ļ€‚ļ€“ļ€†ļ€‚ļ€”ļ€ƒļ€™ļ€‘ļ€ļ€œļ€Ÿļ€„ļ€ļ€†ļ€œļ€ļ€†ļ€”ļ€ļ€œļ€ƒļ€œļ€ļ€Žļ€£ļ€†ļ€†ļ€›ļ€”ļ€“ļ€ƒļ€†ļ€•ļ€„ļ€†ļ€ļ€„ļ€ƒļ€”ļ€ļ€ļ€„ļ€ļ€†ļ€”ļ€–ļ€‘ļ€ļ€†ļ€ļ€„ļ€›ļ€‚ļ€ļ€ļ€ ļ€†ļ€‘ļ€ļ€†ļ€˜ļ€‘ļ€›ļ€–ļ€’ļ€„ļ€ƒļ€œļ€‘ļ€ļ€†ļ€‘ļ€
ļ€‘ļ€ļ€ļ€„ļ€ļ€ ļ€†ļ€‘ļ€ļ€†ļ€‘ļ€ƒļ€™ļ€„ļ€ļ€†ļ€–ļ€”ļ€ļ€–ļ€‘ļ€“ļ€„ļ€†ļ€ļ€‘ļ€ļ€†ļ€”ļ€™ļ€œļ€˜ļ€™ļ€†ļ€œļ€ƒļ€†ļ€”ļ€‚ļ€“ļ€†ļ€’ļ€„ļ€ļ€ƒļ€£
ļ€†ļ€†ļ€†ļ€†ļ€˜ļ€‘ļ€›ļ€–ļ€‘ļ€ļ€„ļ€ļ€ƒļ€“ļ€†ļ€‚ļ€ļ€ļ€†ļ€›ļ€‚ļ€ƒļ€„ļ€ļ€œļ€‚ļ€’ļ€“ļ€†ļ€“ļ€–ļ€„ļ€˜ļ€œļ€ļ€œļ€„ļ€ļ€†ļ€™ļ€„ļ€ļ€„ļ€œļ€ļ€†ļ€”ļ€œļ€’ļ€’ļ€†ļ€‚ļ€’ļ€“ļ€‘ļ€†ļ€˜ļ€‘ļ€ļ€ļ€‘ļ€ļ€›ļ€†ļ€ƒļ€‘ļ€†ļ€ƒļ€™ļ€„ļ€†ļ€‚ļ€–ļ€–ļ€’ļ€œļ€˜ļ€‚ļ€•ļ€’ļ€„ļ€†ļ€“ļ€„ļ€˜ļ€ƒļ€œļ€‘ļ€ļ€†ļ€‘ļ€ļ€†ļ€Žļ€‘ļ€‘ļ€ļ€›ļ€‚ļ€ļ€†ļ€¤ļ€›ļ€–ļ€†ļ€„ļ€žļ€¦ļ€£ļ€‹ļ€‰ļ€†ļ€”ļ€‘ļ€ļ€šļ€›ļ€‚ļ€ļ€“ļ€™ļ€œļ€–ļ€†ļ€“ļ€ƒļ€‚ļ€ļ€ļ€‚ļ€ļ€ļ€†ļ€ļ€‘ļ€
ļ€†ļ€†ļ€†ļ€†ļ€ļ€œļ€ƒļ€ ļ€†ļ€ļ€„ļ€„ļ€’ļ€†ļ€‚ļ€ļ€ļ€†ļ€ļ€œļ€ļ€œļ€“ļ€™ļ€£
ļ€†ļ€†ļ€†ļ€†ļ€“ļ€–ļ€„ļ€˜ļ€œļ€‚ļ€’ļ€†ļ€˜ļ€™ļ€‚ļ€ļ€‚ļ€˜ļ€ƒļ€„ļ€ļ€œļ€“ļ€ƒļ€œļ€˜ļ€“ļ€…
ļ€†ļ€†ļ€†ļ€†ļ€Œļ€“ļ€œļ€Žļ€›ļ€‚ļ€†ļ€œļ€“ļ€†ļ€œļ€ļ€ļ€œļ€˜ļ€‚ļ€ƒļ€„ļ€ļ€†ļ€•ļ€ļ€†ļ€†ļ€†ļ€†ļ€†ļ€†ļ€†ļ€†ļ€†ļ€†ļ€†ļ€ ļ€†ļ€˜ļ€ļ€œļ€ƒļ€œļ€˜ļ€‚ļ€’ļ€†ļ€˜ļ€™ļ€‚ļ€ļ€‚ļ€˜ļ€ƒļ€„ļ€ļ€œļ€“ļ€ƒļ€œļ€˜ļ€†ļ€œļ€“ļ€†ļ€œļ€ļ€ļ€œļ€˜ļ€‚ļ€ƒļ€„ļ€ļ€†ļ€•ļ€ļ€†ļ€†ļ€†ļ€†ļ€†ļ€†ļ€†ļ€†ļ€†ļ€†ļ€†ļ€†ļ€ ļ€†ļ€‚ļ€ļ€ļ€†ļ€“ļ€œļ€Žļ€ļ€œļ€ļ€œļ€˜ļ€‚ļ€ļ€ƒļ€†ļ€ļ€œļ€›ļ€„ļ€ļ€“ļ€œļ€‘ļ€ļ€†ļ€œļ€“ļ€†ļ€œļ€ļ€ļ€œļ€˜ļ€‚ļ€ƒļ€„ļ€ļ€†ļ€•ļ€ļ€†ļ€†ļ€†ļ€†ļ€†ļ€†ļ€†ļ€†ļ€†ļ€†ļ€–ļ€’ļ€‚ļ€˜ļ€„ļ€ļ€†ļ€ļ€„ļ€¢ļ€ƒļ€†ļ€ƒļ€‘ļ€†ļ€ƒļ€™ļ€„
ļ€†ļ€†ļ€†ļ€†ļ€ļ€œļ€›ļ€„ļ€ļ€“ļ€œļ€‘ļ€ļ€†ļ€‚ļ€ļ€ļ€§ļ€‘ļ€ļ€†ļ€ļ€‘ļ€ƒļ€„ļ€£
6s
ļ€ƒļ€‘ļ€’ļ€„ļ€ļ€‚ļ€ļ€˜ļ€„ļ€“
ļ€£ļ€¢ļ€†ļ€…ļ€†ļ€Øļ€†ļ€£ļ€ˆļ€ˆļ€ˆ
ļ€£ļ€¢ļ€¢ļ€†ļ€…ļ€†ļ€Øļ€†ļ€£ļ€ˆļ€ˆļ€ˆ

ļ€‚ļ€ļ€Žļ€’ļ€„ļ€†ļ€…ļ€†ļ€Øļ€†ļ€‰ļ€£ļ€‡ļ€©

ļ€•ļ€‚ļ€“ļ€„ļ€ļ€†ļ€‘ļ€ļ€†ļ€‚ļ€“ļ€›ļ€„ļ€†ļ€ļ€‰ļ€¦ļ€£ļ€‡
ļ€‚ļ€’ļ€’ļ€†ļ€ļ€œļ€›ļ€„ļ€ļ€“ļ€œļ€‘ļ€ļ€“ļ€†ļ€œļ€ļ€†ļ€œļ€ļ€˜ļ€™ļ€„ļ€“
ļ€”ļ€ļ€’ļ€„ļ€“ļ€“ļ€†ļ€‘ļ€ƒļ€™ļ€„ļ€ļ€”ļ€œļ€“ļ€„ļ€†ļ€ļ€‘ļ€ƒļ€„ļ€ļ€£

ļ€ˆ
ļ€œļ€ļ€œļ€ƒļ€œļ€‚ļ€’ļ€†ļ€ļ€„ļ€’ļ€„ļ€‚ļ€“ļ€„ ļ€‡ļ€ˆļ€‰ļ€Šļ€ˆļ€‹ļ€Œļ€•ļ€–ļ€Œļ€‰ļ€«ļ€žļ€« 
ļ€ˆ
ļ€ˆļ€ˆ ļ€ˆļ€ˆļ€ˆ ļ€ˆ
ļ€ˆ
ļ€ˆļ€ˆ ļ€ˆļ€ˆ
ļ€ˆ
ļ€ˆ
ļ€ˆļ€ˆ
ļ€ˆ
ļ€ˆ
ļ€ˆ
ļ€ˆ ļ€ˆ
ļ€ˆļ€ˆ
ļ€ˆ ļ€ˆļ€ˆļ€ˆ ļ€ˆ
2
3
NOTE #2
WH
NOTE #4
EM
TR
24V
208-240
3
CONTROL
240
208-240/1/60
SUPPLY VOLTAGE
C
COMP
C
S.A.
S
T1
R
L1
C
NOTE #4
H
F
RCCF
CM
T2
C
L2
BOX
H
RCCF
F
C
YL
BR
PU
2
24V
208
TR
C
BK
1
PU
COMP
CM
BR
BR
41
PLF
PU
BK
YL
S
BK
RD
BK
5
6
2
3
CR
LVJB
RD
BL
BR
WH
GR
YL
R
C
W2
W1
G
Y
A
T
O
T
S
M
R
E
H
T
T2
T1
RD
BL
NOTE #3
PU
BL
L1
GND
C
L2
PU
BK
60
/
/
1
0
4
2
-
8
0
2
7
8
9
BL
BR
208-240/1/60 0140G00407
RD
RD
BK
BK
RD
YL
C L G N
1
2 3
BL
BL
RD
RD
GR
GR
GR
EM
GR
SEE NOTE 2

1
L
3 1
2
R W2 W1 Y G C
4
5
6
PLF
C
SEE NOTE #2
IF USED
THERMOSTAT
N
G
SEE UNIT RATING PLATE FOR TYPE AND SIZE
OF OVER CURRENT PROTECTION
COMPONENT
LEGEND
C
CM
COMP
EM
GND
LVJB
PLF
RCCF
SA
TR
CONTACTOR
CONDENSER MOTOR
COMPRESSOR
EVAPORATOR MOTOR
EQUIPMENT GROUND
LOW VOLTAGE JUNCTION BOX
FEMALE PLUG / CONNECTOR
RUN CAPACITOR FOR
COMPRESSOR AND FAN
START ASSIST
TRANSFORMER
W
IRE CODE
BK BLACK
BL BLUE
BR BROWN
GR GREEN
OR ORANGE
PU PURPLE
RD RED
WH WHITE
YL YELLOW
FAC
TORY WIRING
LINE VOLTAGE
LOW VOLTAGE
OPTINAL HIGH
VOLTAGE
FIELD WIRING
HIGH VOLTAGE
LOW VOLTAGE
NOTES:
1. REPLACEMENT WIRE MUST BE SAME SIZE AND TYPE INSULATION AS
ORIGINAL (AT LEAST 105°C) USE COPPER CONDUCTOR ONLY.
2. TO CHANGE EVAPORATOR MOTOR SPEED MOVE WHITE AND YELLOW
LEADS FROM EM "2" AND "3" TO "4" AND "5". IF BOTH LEADS ARE
ENERGIZED, THE HIGHER SPEED SETTING IS USED.
3. FOR 208 VOLT TRANSFORMER OPERATION MOVE PURPLE WIRES
FROM TERMINAL 3 TO TERMINAL 2 ON TRANSFORMER.
4. START ASSIST FACTOR EQUIPED WHEN REQUIRED
5. USE COPPER CONDUCTORS ONLY.
++ USE N.E.C. CLASS 2 WIRE
EM
1
C
2 3
SEE NOTE 5
YL
RD
SA
(IF USED) SEE NOTE 4
YL
WH
BK
PU
4
5
WH
WH
YL
BK
ļ€ļ€‘ļ€ƒļ€„ļ€“ļ€…
ļ€‰ļ€£ļ€†ļ€†ļ€ļ€œļ€›ļ€„ļ€ļ€“ļ€œļ€‘ļ€ļ€“ļ€†ļ€ˆļ€†ļ€Œļ€­ļ€†ļ€®ļ€†ļ€«ļ€­
ļ€žļ€£ļ€†ļ€›ļ€‚ļ€ƒļ€„ļ€ļ€œļ€‚ļ€’ļ€†ļ€ˆļ€†ļ€žļ€†ļ€›ļ€œļ€’ļ€“ļ€†ļ€”ļ€™ļ€œļ€ƒļ€„ļ€†ļ€—ļ€œļ€ļ€ļ€’
ļ€Æļ€£ļ€†ļ€‚ļ€ļ€™ļ€„ļ€“ļ€œļ€—ļ€„ļ€†ļ€ˆļ€†ļ€–ļ€ļ€„ļ€“ļ€“ļ€”ļ€ļ€„ļ€†ļ€“ļ€„ļ€ļ€“ļ€œļ€ƒļ€œļ€—ļ€„ļ€ ļ€†ļ€–ļ€ļ€„ļ€“ļ€“ļ€”ļ€ļ€„ļ€†ļ€ƒļ€ļ€–ļ€„
ļ€†ļ€†ļ€†ļ€”ļ€œļ€ƒļ€™ļ€†ļ€„ļ€‚ļ€“ļ€ļ€†ļ€ļ€„ļ€›ļ€‘ļ€—ļ€„ļ€ļ€†ļ€•ļ€‚ļ€˜ļ€šļ€œļ€ļ€Žļ€£
ļ€¦ļ€£ļ€†ļ€˜ļ€‘ļ€’ļ€‘ļ€ļ€†ļ€ˆļ€”ļ€™ļ€œļ€ƒļ€„ļ€†ļ€•ļ€‚ļ€˜ļ€šļ€Žļ€ļ€‘ļ€”ļ€ļ€ļ€†ļ€”ļ€œļ€ƒļ€™ļ€†ļ€•ļ€’ļ€‚ļ€˜ļ€šļ€†ļ€–ļ€ļ€œļ€ļ€ƒļ€œļ€ļ€Ž

Related product manuals