EasyManua.ls Logo

Goodman GSX - Page 55

Goodman GSX
56 pages
Print Icon
To Next Page IconTo Next Page
To Next Page IconTo Next Page
To Previous Page IconTo Previous Page
To Previous Page IconTo Previous Page
Loading...
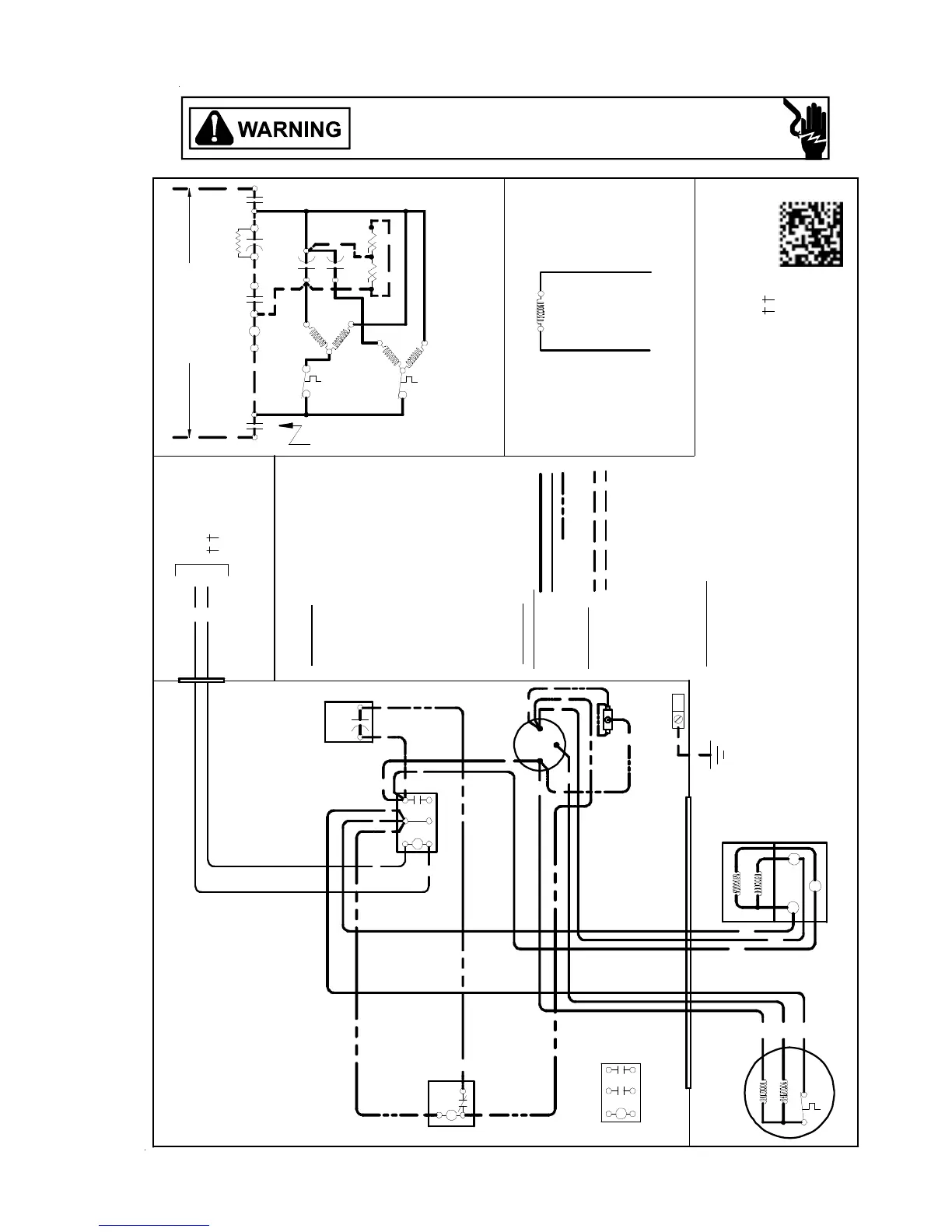
WIRING DIAGRAMS
55
HIGH VOLTAGE!
DISCONNECT ALL POWER BEFORE SERVICING OR INSTALLING THIS
UNIT. MULTIPLE POWER SOURCES MAY BE PRESENT. FAILURE TO
DO SO MAY CAUSE PROPERTY DAMAGE, PERSONAL INJURY OR DEATH.
Wiring is subject to change, always refer to the wiring diagram on the unit for the most up-to-date wiring.
USE N.E.C. CLASS 2 WIRE
COMP
ALTERNATE DOUBLE
POLE CONTACTOR ONLY
IO
T1
C
M
A
I
N
R
A
U
X
5
S
SR
SA
21
RCCF
SC
T2
C
L1 L2
(IF USED)
CH
C
F
M
A
I
N
A
U
X
C
C
0140R00015P-A
BL
Y
C
LV J B
COLOR CODE
BK --------------- BLACK
BL --------------- BLUE
BR --------------- BROWN
OR --------------- ORANGE
PU --------------- PURPLE
RD --------------- RED
WH -------------- WHITE
YL ---------------- YELLOW
CONTROL BOX
COMPONENT CODE
C --------------- CONTACTOR
CM ------------ OUTDOOR FAN MOTOR
COMP -------- COMPRESSOR
IO -------------- INTERNAL OVERLOAD
LVJB ---------- LOW VOLTAGE JUNCTION BOX
RCCF --------- RUN CAPACITOR FOR COMPRESSOR & FAN
SA ------------- START ASSIST
SC ------------- START CAPACITOR FOR COMPRESSOR (OPTIONAL)
SR ------------- START RELAY FOR COMPRESSOR (OPTIONAL)
CONTROLS SHOWN WITH THERMOSTAT IN 'OFF' POSITION.
OUTDOOR POWER SUPPLY
SEE RATING PLATE
WIRING CODE
FACTORY WIRING
HIGH VOLTAGE
LOW VOLTAGE
OPTIONAL HIGH VOLTAGE
FIELD WIRING
HIGH VOLTAGE
LOW VOLTAGE
IO
CM
Y
YL
YL
C
R
S
RD
BK
AUX
MAIN
COMP
NOTE 1
SC
RD BL
RCCF
F
C
HERM
YL
YL
YL
BR
RD
PU
YL
RD
SR
5
2
1
BK
YL
BL
RD
YL
BL
RD
RD
BKBK
BK
C
T1
L1
T2
L2
RD
SA
(IF USED)
NOTE 2
EQUIPMENT GROUND
USE COPPER
CONDUCTORS ONLY
PU
BR
BK
MAIN
AUX
CM
IO
T1
L1
T2
L2
ALTERNATE DOUBLE
POLE CONTACTOR
NOTES:
1) TO INDOOR UNIT LOW VOLTAGE
TERMINAL BLOCK AND INDOOR
THERMOSTAT
2) START ASSIST FACTORY
EQUIPPED WHEN REQUIRED.
GSX130[18-60]1B* / GSX130181C*
GSX130[18-36]1D*

Related product manuals