EasyManua.ls Logo

Goodman MSG-24HRN1W - SERVICE; Gas Charging Procedure

Goodman MSG-24HRN1W
30 pages
Print Icon
To Next Page IconTo Next Page
To Next Page IconTo Next Page
To Previous Page IconTo Previous Page
To Previous Page IconTo Previous Page
Loading...
16
SERVICE
Gas Charging
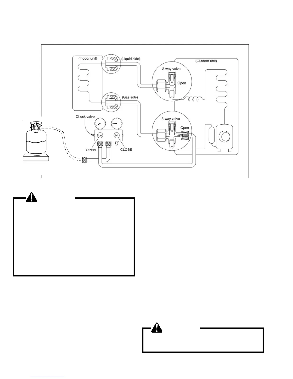
4. Disconnect the charge hose from the 3-way valve's
service port.
Use quick disconnect hoses to ensure refrigerant is not
lost during disconnect process.
5. Replace caps to the valve stems and service port.
Using a torque wrench, tighten the service port cap to a
torque of 13 lbs. per foot.
Check for gas leaks.
CHARGING
CYLINDER
A
ND SCALE
WARNING
REFRIGERANT UNDER PRESSURE!
Failure to follow proper procedures may cause
property damage, personal injury or death.
Refrigerants are heavier than air. They can "push out"
the oxygen in your lungs or in any enclosed space.To
avoid possible difficulty in breathing or death:
Never purge refrigerant into an enclosed room or
space. By law, all refrigerants must be reclaimed.
If an indoor leak is suspected, thoroughly ventilate
the area before beginning work.
• Liquid refrigerant can be very cold. To avoid possible
frostbite or blindness, avoid contact with refrigerant
and wear gloves and goggles. If liquid refrigerant
does contact your skin or eyes, seek medical help
immediately.
• Always follow EPA regulations. Never burn refrig-
erant, as poisonous gas will be produced.
WARNING
1. Connect the manifold gauge set center hose to the
charging cylinder.
(This hose was disconnected from the vacuum pump.)
2. Purge the air from the air hose.
Open the valve of the refrigerant cylinder and crack open
the center manifold gauge hose connection at the mani-
fold gauge set to purge the air. Follow safety procedures
above on handling liquid refrigerants.
3. Open the valve (low side) on the manifold gauge set and
charge the system with R-410A vapor only.

Related product manuals